EasyManua.ls Logo

Keba ServoOne junior - Page 204

Keba ServoOne junior
493 pages
Print Icon
To Next Page IconTo Next Page
To Next Page IconTo Next Page
To Previous Page IconTo Previous Page
To Previous Page IconTo Previous Page
Loading...
The prerequisite for speed control is that the volumetric flow rate control and the
leakage compensation be set and parametrized. The SpeedCon(2) control mode
must be selected to allow activation of the speed control mode.
In addition, the cylinder geometries (P 2852[0] -cylArea1, P 2852[2] - cylArea2)
must be known and set accordingly.
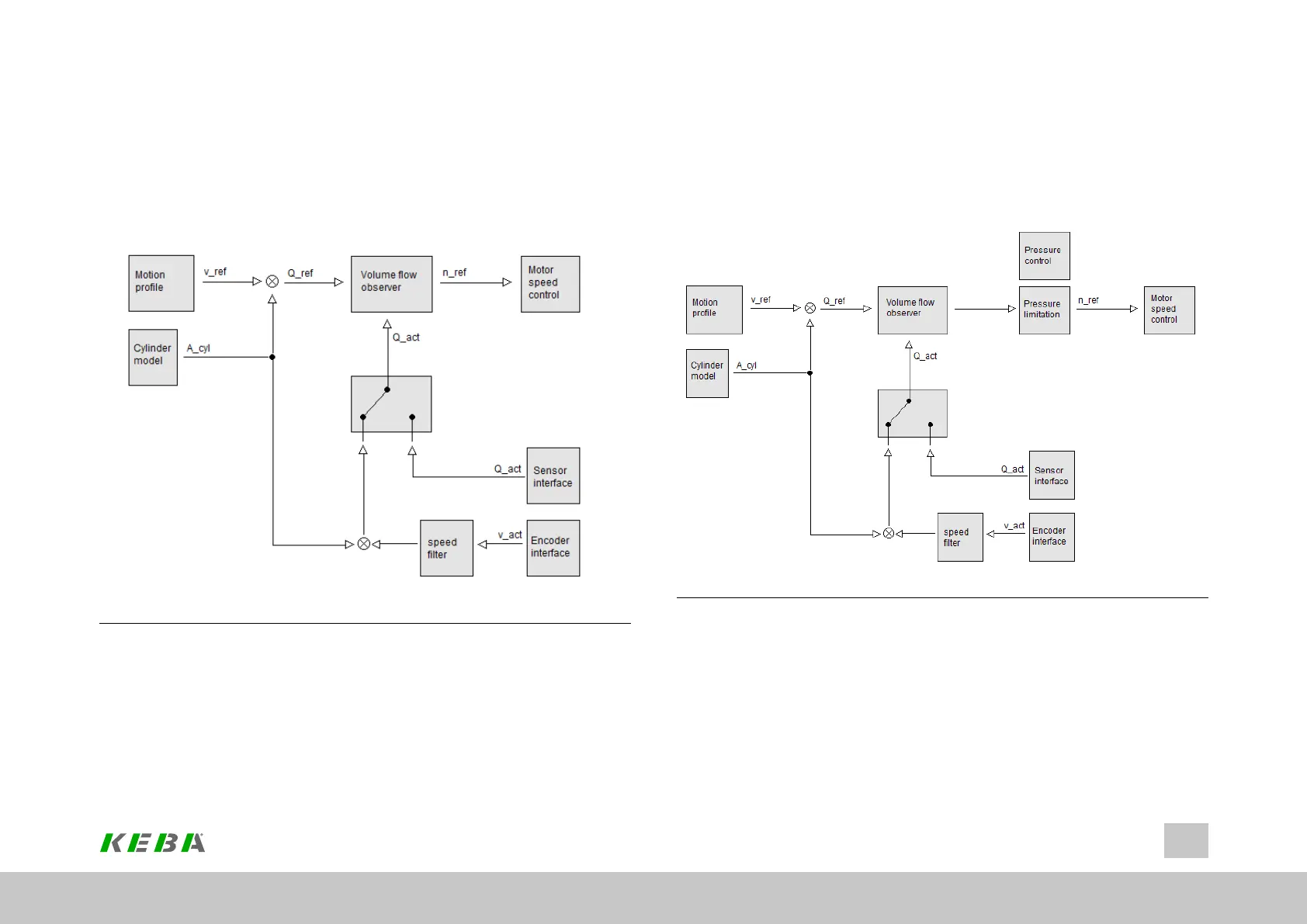
Image 7.71: Control structure, cylinder speed control
For cylinder speed control, there is a choice of two further control structures. These
two alternative control types are described below.
ID No.: 0842.26B.5-01Date: 09.2020
ServoOne- Device Help
204
7 Control
To provide speed control with pressure limitation, a special mode with a downstream
pressure regulator has been implemented. In this case, the pressure limitation as
well as the scaling of the pressure limitation are in effect for the individual motion
blocks (P 2840.13 - AltSpdCon = 1). The prerequisite for cylinder speed control with
active pressure limitation is that the pressure control be properly adjusted.
Image 7.72: Control structure, cylinder speed control with pressure limitation
A further option is to control the cylinder speed directly via a PI controller (P 2840.13
AltSpdCon = 2). In this case, the speed is not calculated using the cylinder model
and the displacement volume with feed-forward control, but is governed strictly by
the PI controller. In order to take the different cylinder volumes for the ring and piston
sides of the cylinder into account, two scaling factors (P 2852.10 KpScale, P

Table of Contents

Other manuals for Keba ServoOne junior

Related product manuals