EasyManua.ls Logo

Keysight Technologies E3646A - Remote Programming; Figure 6-7 Speed of Response - Programming up (Full Load)

Keysight Technologies E3646A
260 pages
Print Icon
To Next Page IconTo Next Page
To Next Page IconTo Next Page
To Previous Page IconTo Previous Page
To Previous Page IconTo Previous Page
Loading...
Tutorial 6
Remote Programming
E364xA User’s and Service Guide 165
Remote Programming
During remote programming, a constant voltage regulated
power supply is called upon to change its output voltage
rapidly. The most important factor limiting the speed of
output voltage change is the output capacitor and load
resistor.
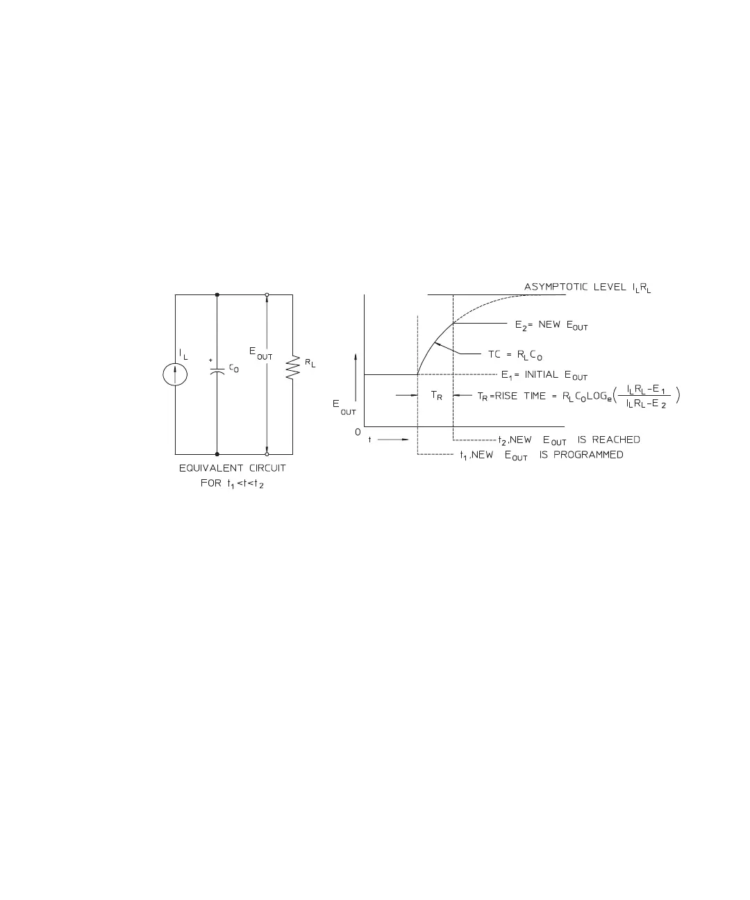
Figure 6-7 Speed of response — programming up (full load)
The equivalent circuit and the nature of the output voltage
waveform when the supply is being programmed upward are
shown in
Figure 6- 7. When the new output is programmed,
the power supply regulator circuit senses that the output is
less than desired and turns on the series regulator to its
maximum value I
L
, the current limit or constant current
setting.
This constant current I
L
charges the output capacitor C
O
and load resistor R
L
parallel. The output therefore rises
exponentially with a time constant R
L
C
L
towards voltage
level I
L
R
L
, a value higher than the new output voltage being
programmed.

Table of Contents

Related product manuals