EasyManua.ls Logo

Marathon DVR 2000E - Page 30

Marathon DVR 2000E
93 pages
Print Icon
To Next Page IconTo Next Page
To Next Page IconTo Next Page
To Previous Page IconTo Previous Page
To Previous Page IconTo Previous Page
Loading...
S
ection
4
S
ection
4
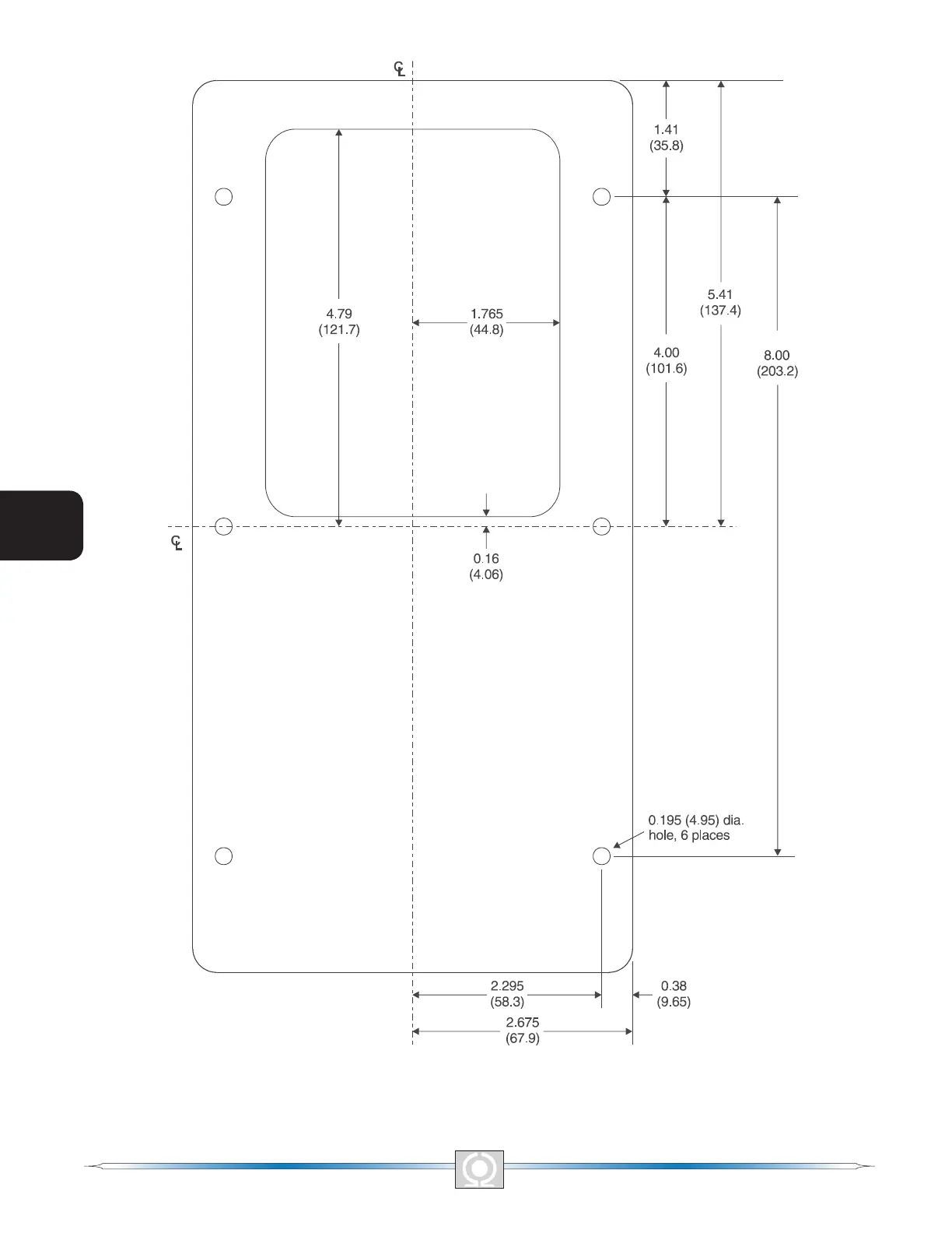
Figure 4-2. Cutout and Drilling Dimensions
28
3
Main Index
5
Section 4 Index
29
3
Main Index
5
Section 4 Index

Table of Contents