EasyManua.ls Logo

Mitsubishi 4G1 series - 12-1; Crankshaft and Cylinder Block Removal and Installation

Mitsubishi 4G1 series
147 pages
Print Icon
To Next Page IconTo Next Page
To Next Page IconTo Next Page
To Previous Page IconTo Previous Page
To Previous Page IconTo Previous Page
Loading...
4G1 ENGINE (E-W) -
Crankshaft and Cylinder Block
11A-12-1
PWEE9520
E
Nov. 1995Mitsubishi Motors Corporation
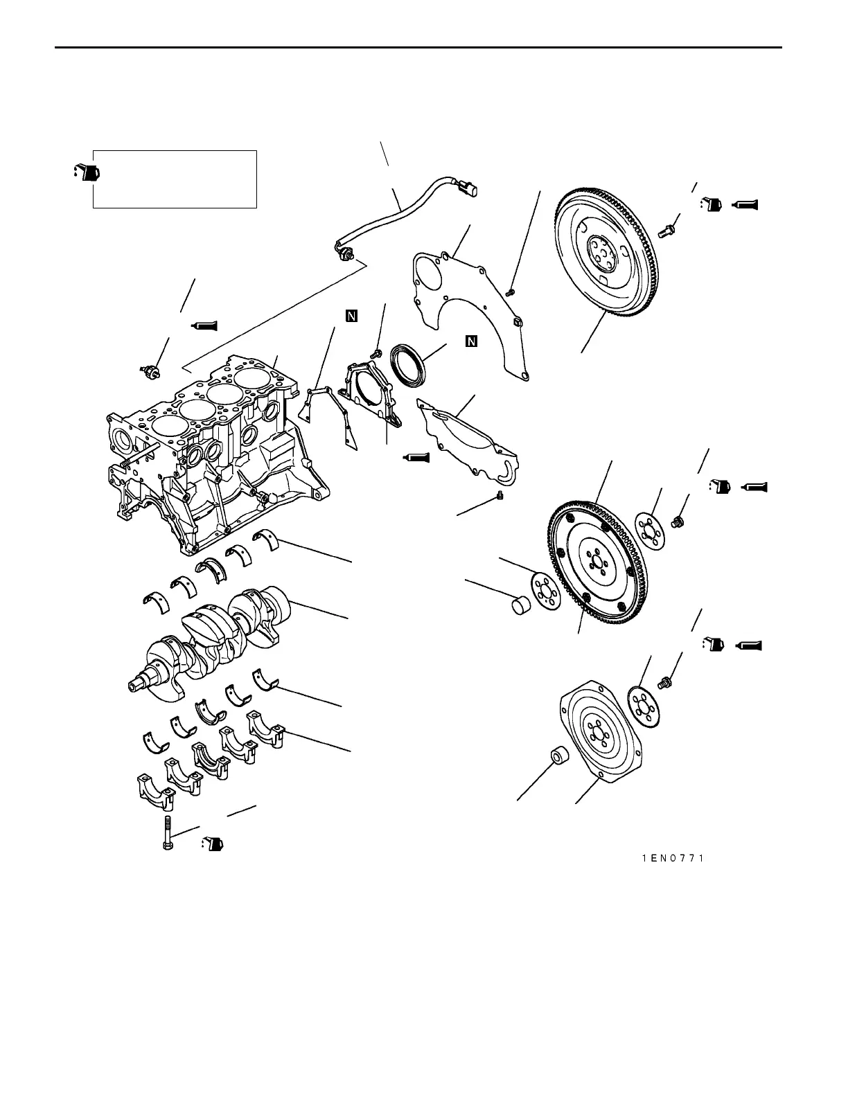
12. CRANKSHAFT AND CYLINDER BLOCK
REMOVAL AND INSTALLATION <EXCEPT GDI>
19 Nm
11
11 Nm
10 Nm
132 Nm
16
12
34 Nm + 30
_
to 34
_
132 Nm
10 Nm
14
22
24
1
2
3
4
5
6
7
8
9
10
17
18
19
20
21
132 Nm
13
15
23 Nm
23
A
Apply engine oil to all
moving parts before
installation.
PWEE9520-D
E
Aug. 2000Mitsubishi Motors Corporation Revised

Table of Contents

Other manuals for Mitsubishi 4G1 series

Related product manuals