EasyManua.ls Logo

Mitsubishi 4G1 series - Page 74

Mitsubishi 4G1 series
147 pages
Print Icon
To Next Page IconTo Next Page
To Next Page IconTo Next Page
To Previous Page IconTo Previous Page
To Previous Page IconTo Previous Page
Loading...
4G1 ENGINE (E-W) -
Intake and Exhaust Manifolds
11A-7-3
PWEE9520
E
Nov. 1995Mitsubishi Motors Corporation
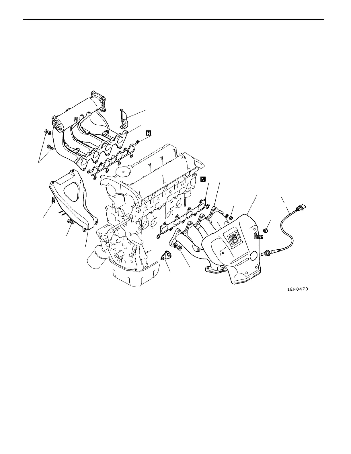
REMOVAL AND INSTALLATION <DOHC>
1
3
4
9
8
7
29 Nm
6
17 Nm
2
21 Nm
17 Nm
17 Nm
5
44 Nm
29 Nm
Removal steps
1. Engine hanger
2. Intake manifold stay
3. Intake manifold
4. Intake manifold gasket
5. Oxygen sensor
6. Exhaust manifold cover
7. Engine hanger
8. Exhaust manifold
9. Exhaust manifold gasket

Table of Contents

Other manuals for Mitsubishi 4G1 series

Related product manuals