EasyManua.ls Logo

Mitsubishi FX3UC Series - Page 150

Mitsubishi FX3UC Series
458 pages
Print Icon
To Next Page IconTo Next Page
To Next Page IconTo Next Page
To Previous Page IconTo Previous Page
To Previous Page IconTo Previous Page
Loading...
144
FX3UC Series Programmable Controllers
User’s Manual - Hardware Edition
5 Input Specifications and External wiring
5.2 24V DC Input Type
5.2.5 Examples of external wiring
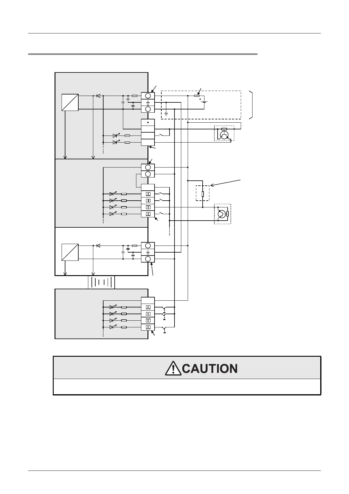
1. Examples of wiring (Dedicated to sink input types only)
WIRING PRECAUTIONS
Before cleaning or retightening terminals cut off all phases of the power supply externally.
Failure to do so may cause electric shock.
FX
3UC
-32MT/D
FX
2NC
extension block
(Dedicated to sink
input types only)
FX
3UC
-1PS-5V
+
-
COM
X000
X001
Photo-
coupler
Input
impedance
5V 24V
COM
X
0
X
1
X
2
X
3
+
-
4.3k
+
-
24V DC
Three-
wire
sensor
Input
terminal
Two-wire
proximity
sensor
FX
2N
extension block
(Dedicated to sink
input types only)
24+
X
0
X
1
X
2
X
3
*
DC/DC
converter
DC
DC
Input
terminal
* Class D grounding
The grounding resistance should be
100
or less.
Power
connector
Power
connector
Power
connector
Input
terminal
Fuse
5V 24V
DC/DC
converter
DC
DC
Photocoupler
Photocoupler
For an input device having a
parallel resistance or a
two-wire proximity switch, a
bleeder resistance may be
required.
(Refer to Subsection 5.2.4.)
Handle the power supply
circuit correctly in
accordance with Chapter
4 "Power supply
specifications and
external wiring."

Table of Contents

Other manuals for Mitsubishi FX3UC Series

Related product manuals