EasyManua.ls Logo

Mitsubishi FX3UC Series - Page 152

Mitsubishi FX3UC Series
458 pages
Print Icon
To Next Page IconTo Next Page
To Next Page IconTo Next Page
To Previous Page IconTo Previous Page
To Previous Page IconTo Previous Page
Loading...
146
FX3UC Series Programmable Controllers
User’s Manual - Hardware Edition
5 Input Specifications and External wiring
5.2 24V DC Input Type
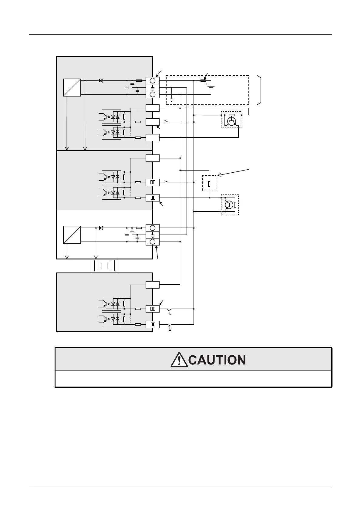
3. Examples of source input wiring (Common to both sink and source input types)
WIRING PRECAUTIONS
Before cleaning or retightening terminals cut off all phases of the power supply externally.
Failure to do so may cause electric shock.
FX
3UC
-32MT/DSS
FX
2NC
extension block
(Common to both sink
and source input types)
FX
3UC
-1PS-5V
+
-
COM0
X000
X001
Input
impedance
5V 24V
COM
X
0
X
1
+
-
24V DC
Three-
wire
sensor
Input
terminal
Two-wire
proximity
sensor
FX
2N
extension block
(Common to both sink
and source input types)
S/S
*
DC/DC
converter
DC
DC
Input
terminal
* Class D grounding
The grounding resistance should be
100
or less.
Power
connector
Power
connector
Input
terminal
Fuse
5V 24V
DC/DC
converter
DC
DC
X
0
X
1
Photocoupler
Photocoupler
Photocoupler
For an input device having a
parallel resistance or a
two-wire proximity switch, a
bleeder resistance may be
required.
(Refer to Subsection 5.2.4.)
Handle the power supply
circuit correctly in
accordance with Chapter
4 "Power supply
specifications and
external wiring."

Table of Contents

Other manuals for Mitsubishi FX3UC Series

Related product manuals