EasyManua.ls Logo

Moxy MT 26 - Removing the Cylinder Liners

Default Icon
931 pages
Print Icon
To Next Page IconTo Next Page
To Next Page IconTo Next Page
To Previous Page IconTo Previous Page
To Previous Page IconTo Previous Page
Loading...
Engine
SHOP MANUAL MT26-31 - 06.2005
Tier-3 710655-
Ch 1 page 85
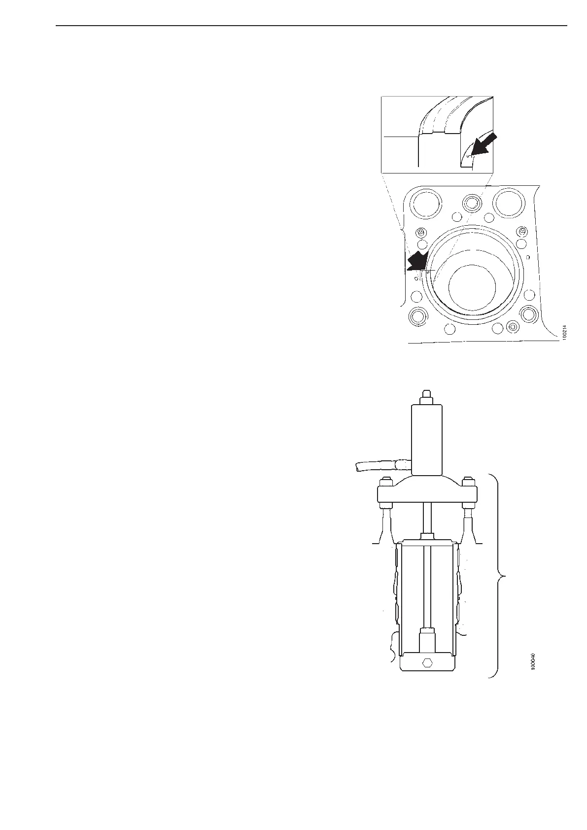
Cylinder liner extractor with hy-
draulic cylinder
Removing the cylinder liners
1.
Mark the liners with the numbers 1-6. The
mark is necessary so that the liners can be
refitted in the same place and position as
previously.
Note:
The mark must be made only on the
surface indicated in the illustration.
Other surfaces are for sealing.
2.
Withdraw the cylinder liner using puller
99 066 and hydraulic cylinder 8036. Fit
spacers under the support lugs to avoid
damaging the surface of the block.
3.
Remove the sealing ring in the cylinder
block.
8036
8215

Table of Contents

Related product manuals