EasyManua.ls Logo

Moxy MT 26 - Dimensions

Default Icon
931 pages
Print Icon
To Next Page IconTo Next Page
To Next Page IconTo Next Page
To Previous Page IconTo Previous Page
To Previous Page IconTo Previous Page
Loading...
Page 40 of 48
User Manual
Operation Instructions
Subject to modifications
2.1A-30008-A04
LINCOLN GmbH & Co. KG • Postfach 1263 • D-69183 Walldorf • Tel +49 (6227) 33-0 • Fax +49 (6227) 33-259
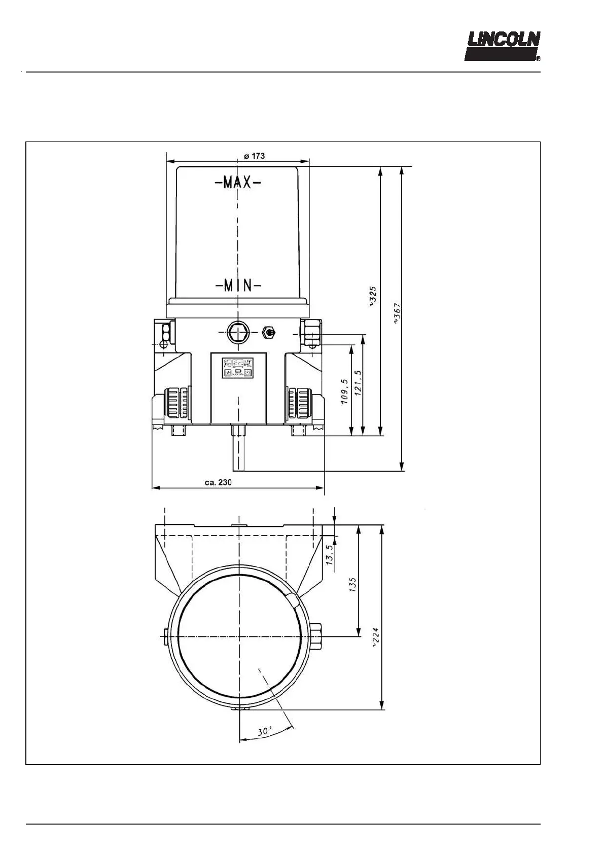
Technical Data, continuation
Dimensions - 2 l reservoir
1166b01
Fig. 50 Dimensions - 2 l reservoir

Table of Contents

Related product manuals