EasyManua.ls Logo

Moxy MT 26 - WK-Valve; WK Solenoid Shift Valve

Default Icon
931 pages
Print Icon
To Next Page IconTo Next Page
To Next Page IconTo Next Page
To Previous Page IconTo Previous Page
To Previous Page IconTo Previous Page
Loading...
SHOP MANUAL MT26/31 - 08.2006 SHOP MANUAL MT26/31 - 08.2006
SHOP MANUAL MT26/31 - 08.2006 SHOP MANUAL MT26/31 - 08.2006
TRANSMISSION
Ch 2 page 112 Ch 2 page 113
TRANSMISSION
TRANSMISSION
Ch 2 page 112 Ch 2 page 113
TRANSMISSION
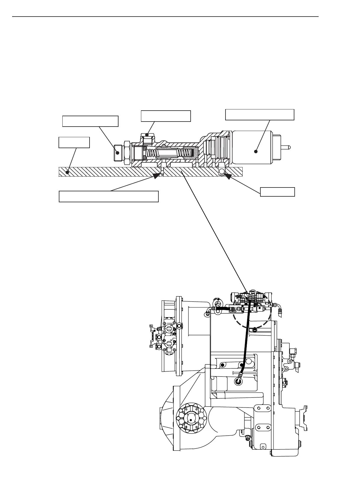
WK-Valve
WK Solenoid shift valve
WK SOLENOID VALVE
Vent. hole
Meas. point WK
Connection to WK
Duct plate
Syst. pressure from hydr. contr. unit

Table of Contents

Related product manuals