EasyManua.ls Logo

mru NOVAplus - Measurement Principle

mru NOVAplus
95 pages
Print Icon
To Next Page IconTo Next Page
To Next Page IconTo Next Page
To Previous Page IconTo Previous Page
To Previous Page IconTo Previous Page
Loading...
USER MANUAL NOVAplus
MRU GmbH, D-74172 Neckarsulm 15 / 95
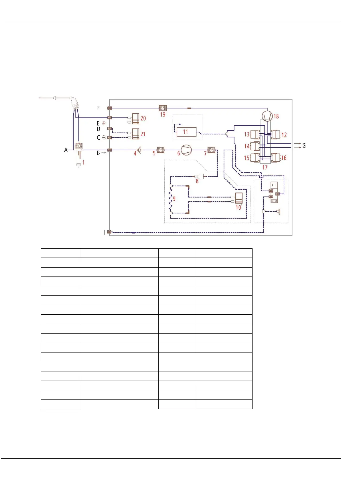
3.1. Measurement principle
In The analyzer draws a sample of the flue gases from the duct using a
built-in gas pump through the probe is cleaned and dried using con-
densate separator with built-in filter and analyzes the extracted gas with
electrochemical sensors.
Draft and temperature are measured at the tip of the sampling probe.
Position
Position
Description
A
6
Gas pump
B
7
Filter
C
8
Nozzle
D
9
Capillary tube
E
10
Flow sensor
F
11
NDIR bench
G
12
O2 sensor
H
13
CO sensor
I
14
NO sensor
15
NO2 sensor
16
SO2 sensor
1
17
Sensor chamber
2
18
Purge pump
3
19
Filter
4
20
Pressure sensor
5
21
Pressure sensor

Table of Contents

Related product manuals