EasyManua.ls Logo

Oce 3165 - Page 181

Oce 3165
206 pages
Print Icon
To Next Page IconTo Next Page
To Next Page IconTo Next Page
To Previous Page IconTo Previous Page
To Previous Page IconTo Previous Page
Loading...
Overview and tables 181
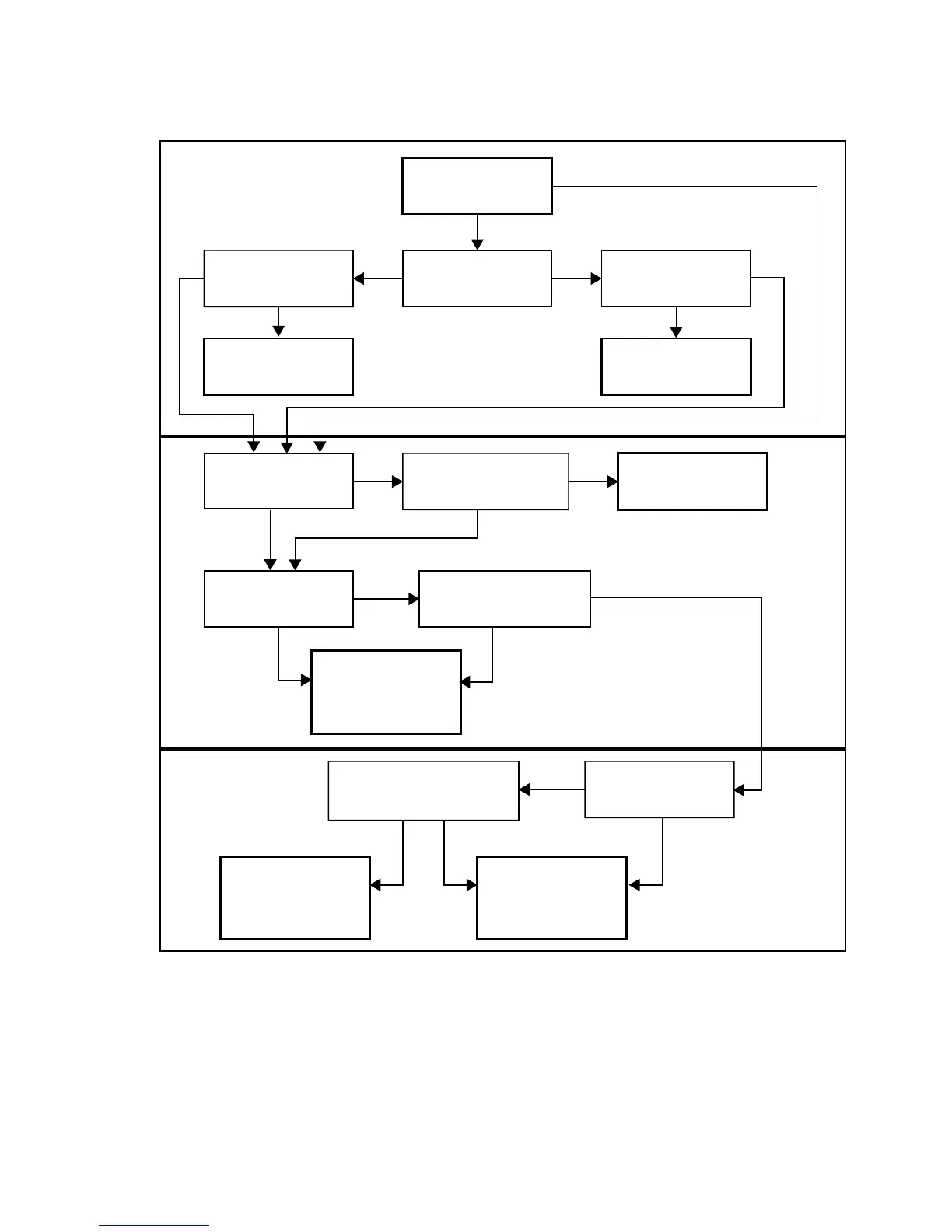
Note: If you used a Copy Charge Device to gain access to the Océ 3165 then
all printed jobs will be accounted on the CCD and on the CCD entry in the
accounting data base on the Océ 3165. If you used a PIN to gain access to the
Océ 3165 then all printed jobs will be booked on the account of the mailbox
owner in the data base on the Océ 3165.
Copying is
restricted
Error message,
Job is kept in your
mailbox
You have enough
credits to print now?
You are allowed to
print at all?
Job is protected
by security PIN?
yesyes
no
no
Job is printed and
kept in your
mailbox
You entered the right
security PIN?
yes
yes
no
no
Buy more CCD
credits
Ask KO for PIN
Choose CCD or
PIN
PIN is correct?You have CCD
credits?
yes
PINCCD
no
no
Mailbox
protected with
You entered a
correct mailbox
Ask KO for PIN
no
yes
yes
yes no
yesno
Access control
Access control
Access control
Job is
not
printed
and kept in your
mailbox
For printing jobs in a mailbox
for documents
for mailbox
for copier

Table of Contents

Other manuals for Oce 3165

Related product manuals