EasyManua.ls Logo

Renesas RL78/G13 - Page 233

Renesas RL78/G13
1092 pages
Print Icon
To Next Page IconTo Next Page
To Next Page IconTo Next Page
To Previous Page IconTo Previous Page
To Previous Page IconTo Previous Page
Loading...
RL78/G13 CHAPTER 4 PORT FUNCTIONS
R01UH0146EJ0100 Rev.1.00 214
Sep 22, 2011
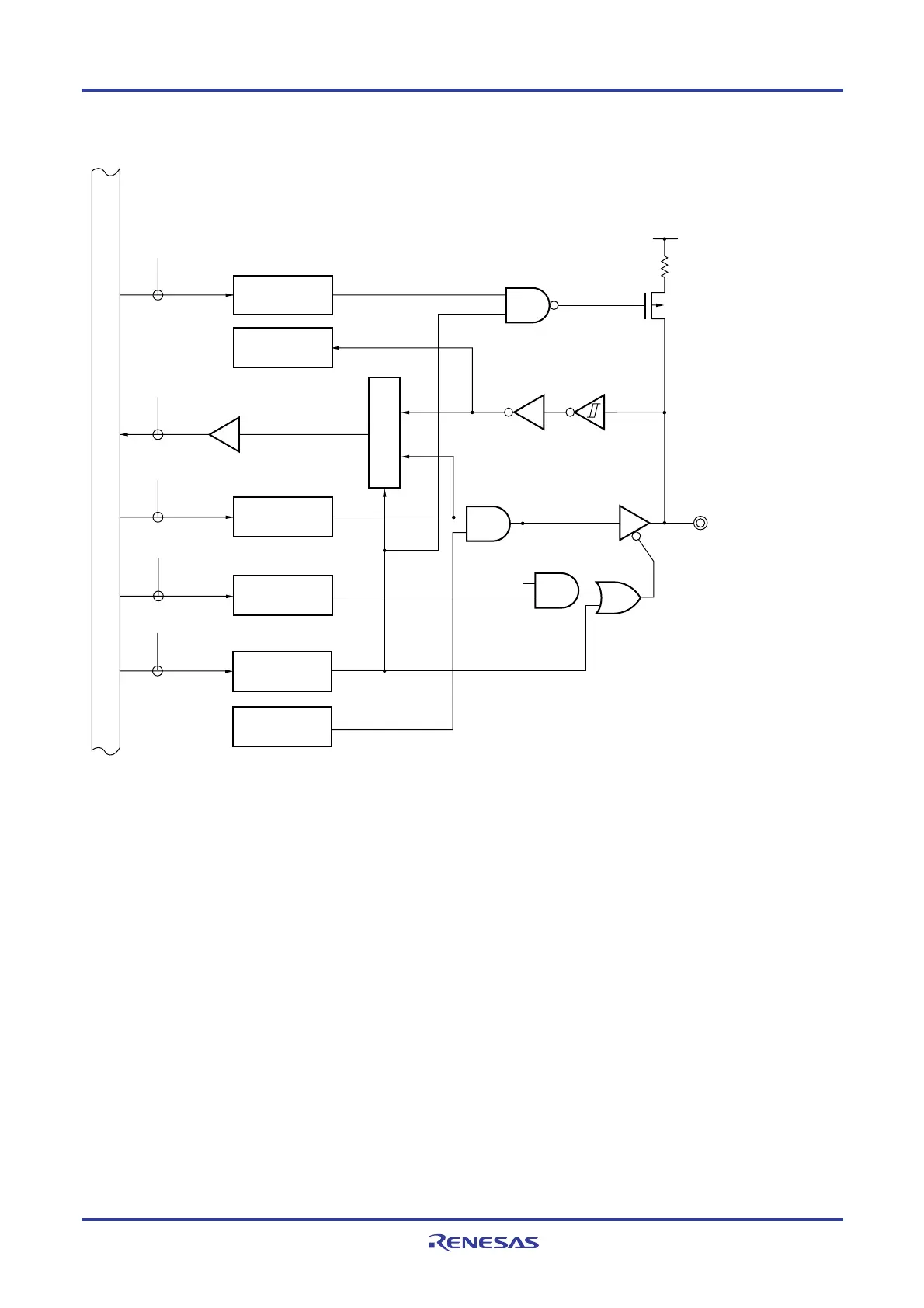
Figure 4-35. Block Diagram of P71
P71/KR1/SI21/SDA21
WR
PU
RD
WR
PORT
PU71
EVDD
P-ch
PU7
P7
WRPM
PM7
POM71
POM7
WRPOM
PM71
Output latch
(P71)
Selector
Alternate
function
Alternate
function
Internal bus
P7: Port register 7
PU7: Pull-up resistor option register 7
PM7: Port mode register 7
POM7: Port output mode register 7
RD: Read signal
WR××: Write signal

Table of Contents

Other manuals for Renesas RL78/G13

Related product manuals