EasyManua.ls Logo

RichAuto A1X - Multi-Spindle Setup

RichAuto A1X
86 pages
Print Icon
To Next Page IconTo Next Page
To Next Page IconTo Next Page
To Previous Page IconTo Previous Page
To Previous Page IconTo Previous Page
Loading...
Beijing RichAuto S&T Co., Ltd.
Forging ahead and determined to win 49
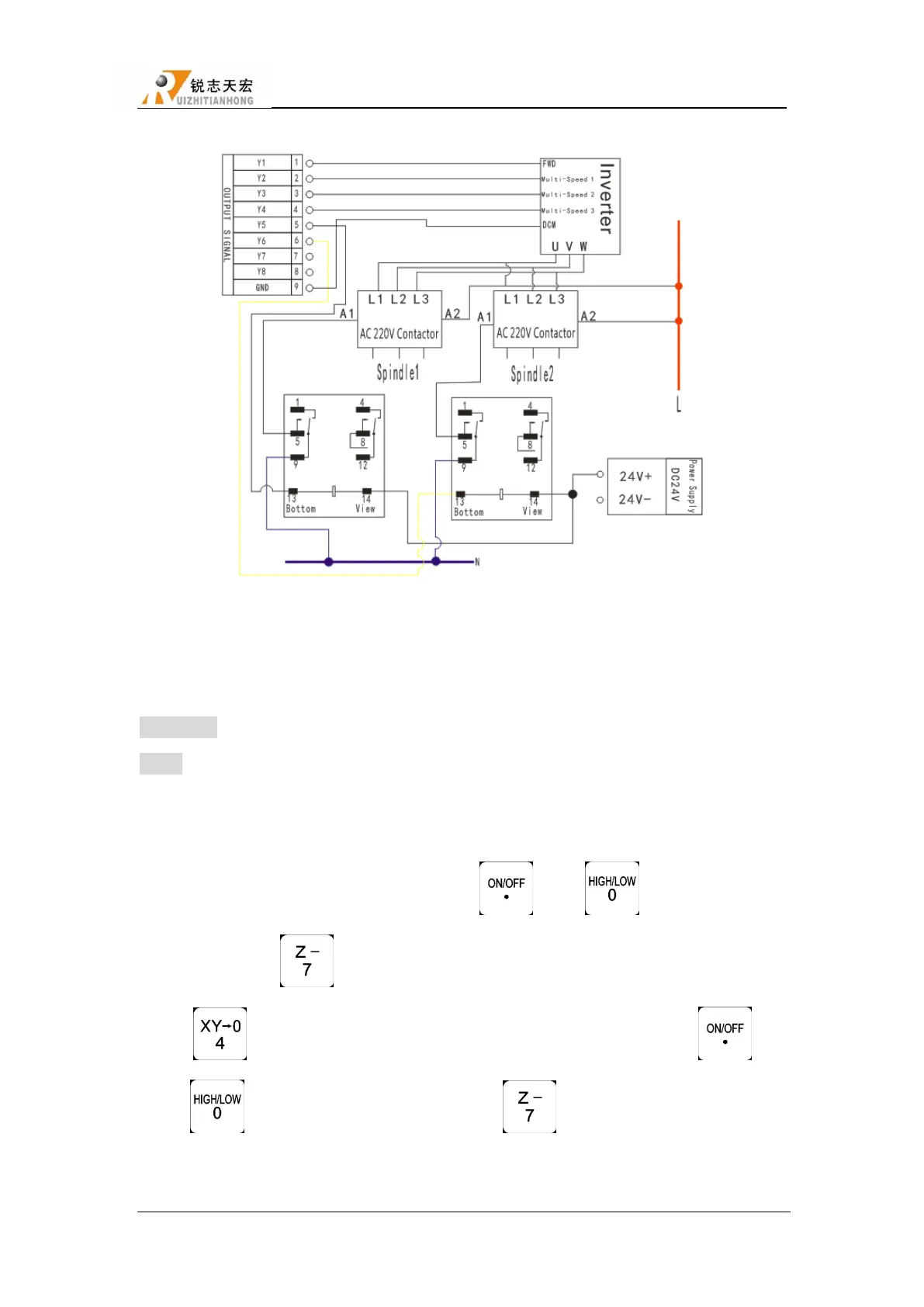
3. Two spindles with one inverter
7.4 Multi-spindle setup
1. Tool SetupMACHINE SETUP
Tool CountInput spindle count,Max 4.
Offset
a) Offsets of X,Y
1) Input by measuring.
2) Chuck every spindle with sharp toolpress + ,switch to spindle 1
and then press .Move Z axis to the surface of workpiece to drill a small hole.Press
,clear the coordinate values of X,Y axis to zero.Press +
,switch to spindle 2and then press .Move Z axis to the small hole
now users can see the coordinate values of X,Y axis on the screen,the values are the offsets of

Table of Contents

Related product manuals