EasyManua.ls Logo

SATO s86ex - Page 122

SATO s86ex
380 pages
Print Icon
To Next Page IconTo Next Page
To Next Page IconTo Next Page
To Previous Page IconTo Previous Page
To Previous Page IconTo Previous Page
Loading...
4 Operation and Configuration
120
S84-ex/S86-ex Operator Manual
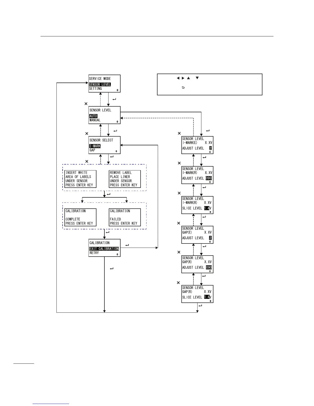
Sensor Level Adjustments
The flowchart shows the sequence of the setting screens for the sensor level adjustments. The table
describes each setting screen in detail.
button
button
button
Select SENSOR LEVEL
+ button
button
Select AUTO
+ button
Select RETRY
+ button
* Press the , , or button to select an item or set the value
accordingly. The active arrow icons are shown on the screen.
* Pressing the button on each screen will revert to the SERVICE
MODE setting screen.
button
button
button
Select MANUAL
+ button
button
button
button
button
button
button
button
button
button
When I-MARK is selected When GAP is selected
Calibration succeed. Calibration failed.
button
button
Select EXIT
CALIBRATION
+ button

Table of Contents

Other manuals for SATO s86ex

Related product manuals