EasyManua.ls Logo

SATO s86ex - Page 146

SATO s86ex
380 pages
Print Icon
To Next Page IconTo Next Page
To Next Page IconTo Next Page
To Previous Page IconTo Previous Page
To Previous Page IconTo Previous Page
Loading...
4 Operation and Configuration
144
S84-ex/S86-ex Operator Manual
button
button
button
button
button
NO +
YES +
NO +
YES +
NO +
button
Power on the printer
again .
Power on the printer
again.
YES +
button
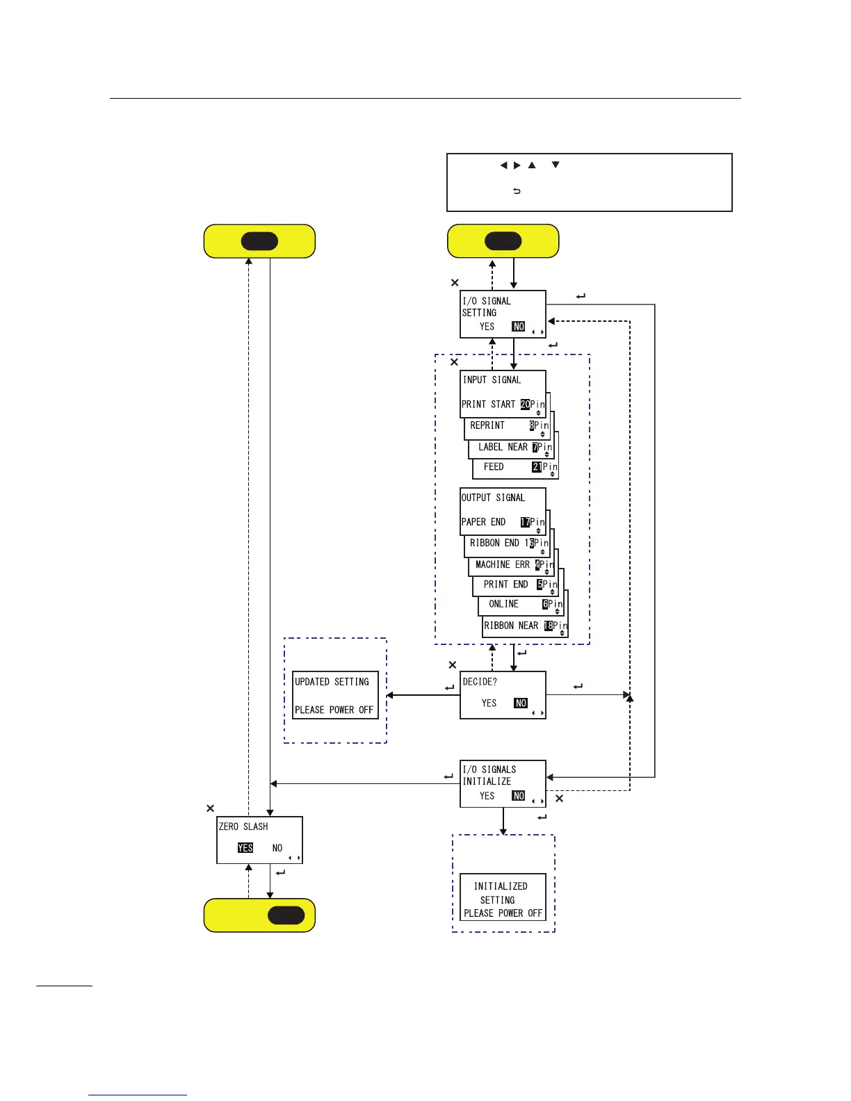
* Press the , , or button to select an item or set the value
accordingly. The active arrow icons are shown on the screen.
* Pressing the button on each screen will revert to the
ADVANCED MODE menu.
A-B
A-C
Proceed to .
A-D

Table of Contents

Other manuals for SATO s86ex

Related product manuals