EasyManua.ls Logo

Siemens 7SJ82 - Stage with Definite-Time Characteristic Curve; Description

Siemens 7SJ82
1638 pages
Print Icon
To Next Page IconTo Next Page
To Next Page IconTo Next Page
To Previous Page IconTo Previous Page
To Previous Page IconTo Previous Page
Loading...
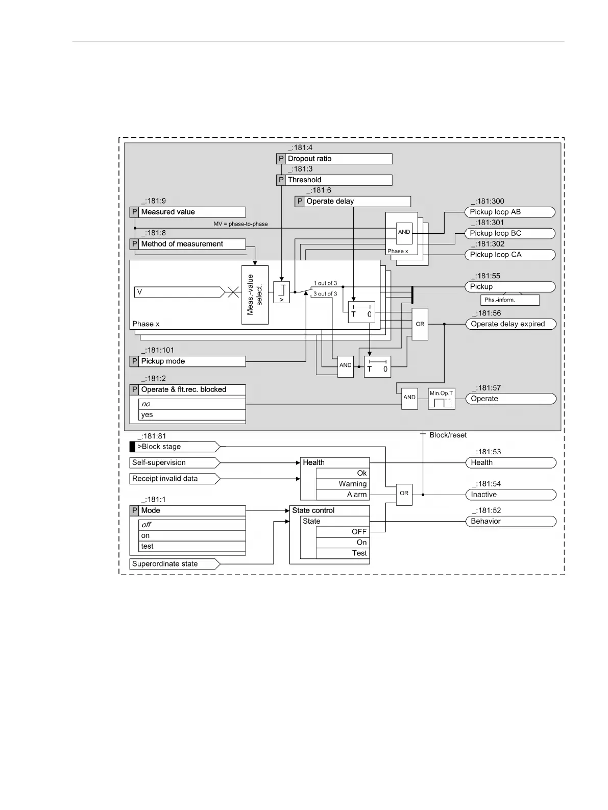
Stage with Definite-Time Characteristic Curve
Description
Logic of the Stage
[lo3phasi-090611-01.tif, 3, en_US]
Figure 6-180
Logic Diagram of the Definite-Time Overvoltage Protection with 3-Phase Voltage
Method of Measurement
Use the Method of measurement parameter to define whether the stage uses the fundamental comp.
or the RMS value.
Measurement fundamental comp.:
This method of measurement processes the sampled voltage values and filters out the fundamental
component numerically.
Measurement RMS value:
This method of measurement determines the voltage amplitude from the sampled values according to
the defining equation of the RMS value. Harmonics are included in the analysis.
6.23.3
6.23.3.1
Protection and Automation Functions
6.23 Overvoltage Protection with 3-Phase Voltage
SIPROTEC 5, Overcurrent Protection, Manual 693
C53000-G5040-C017-8, Edition 07.2017

Table of Contents

Related product manuals