EasyManua.ls Logo

Siemens 7SJ82 - Cycle Control with Operating Mode 1: with Tripping;With Action Time

Siemens 7SJ82
1638 pages
Print Icon
To Next Page IconTo Next Page
To Next Page IconTo Next Page
To Previous Page IconTo Previous Page
To Previous Page IconTo Previous Page
Loading...
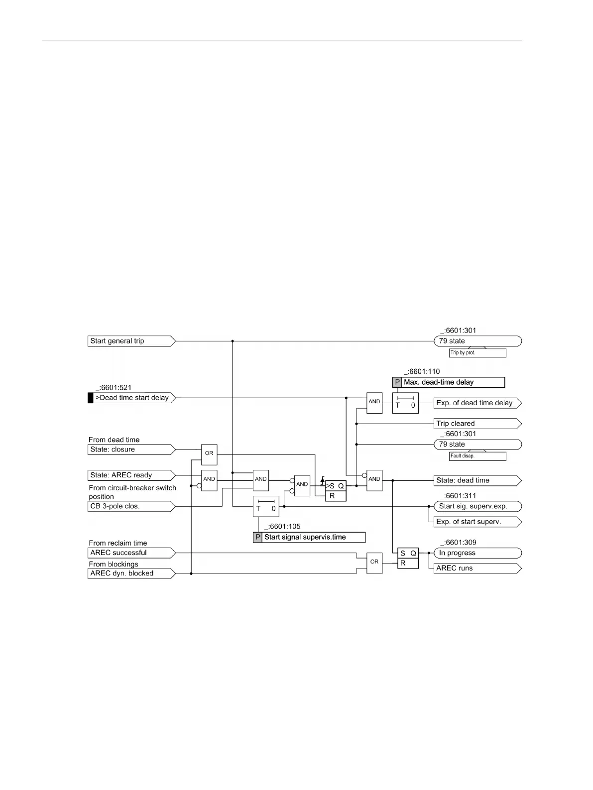
Transition to the Dead-Time State
The transition of the automatic reclosing function to the dead-time state occurs for:
Clearing operate indications if none of the signal inputs for operate indications are active
or if the circuit breaker can no longer be recognized as 3-pole
and the start-signal supervision time is not expired
Additionally, the following conditions must be fulfilled:
The circuit breaker signalizes the readiness for automatic reclosing typically through a binary input. If the
circuit breaker is not ready, the automatic reclosing function can be statically blocked. In this situation,
the automatic closing function is not in idle state automatic closing function ready. The control of the
circuit-breaker readiness is optional and can be turned off through settings, see also chapter
6.45.4.16 Circuit-Breaker Readiness and 6.45.4.17 Blockings.
The circuit breaker must be closed before the 3-pole trip command. This condition is not considered if the
circuit-breaker auxiliary contacts are not connected to the protection device.
You can delay the transition to the dead time state through the binary input
>Dead time start delay
.
As long the corresponding binary signal is present, the dead time of the automatic reclosing function will not
be started. The maximum duration of this binary signal is monitored through a time stage that can be set,
parameter Max. dead-time delay. Upon expiration of this time stage, that is, if the binary signal is
present longer than permitted, the automatic reclosing function will be blocked until the end of the binary
signal, additionally extended by another 0.5 s. See also chapter 6.45.4.17 Blockings.
[logistar-140611-01.tif, 1, en_US]
Figure 6-300
Logic for Function Block Start
Cycle Control with Operating Mode 1: With Tripping/With Action Time
The cycle control checks the readiness for each automatic reclosing cycle and controls the process of the
action time(s). In Figure 6-301, the cycle control is illustrated.
Cycle Availability
The cycle availability is influenced through the parameterization of the dead time and through a binary input.
In this way, setting the parameter Dead time aft. 3-pole trip to invalid avoids an automatic
reclosing after 3-pole tripping. Correspondingly, there is no automatic reclosing function if the Dead time
6.45.4.6
Protection and Automation Functions
6.45 Automatic Reclosing Function
894 SIPROTEC 5, Overcurrent Protection, Manual
C53000-G5040-C017-8, Edition 07.2017

Table of Contents