EasyManua.ls Logo

Siemens 7SJ82 - Stage Description

Siemens 7SJ82
1638 pages
Print Icon
To Next Page IconTo Next Page
To Next Page IconTo Next Page
To Previous Page IconTo Previous Page
To Previous Page IconTo Previous Page
Loading...
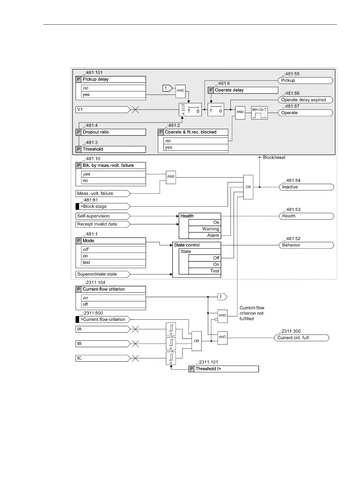
Stage Description
Logic of the Stage
[louv3pu1-021012-01.tif, 1, en_US]
Figure 6-206
Logic Diagram of the Stage Undervoltage Protection with Positive-Sequence Voltage
Method of Measurement
The stage uses the positive-sequence voltage. The positive-sequence voltage is calculated from the measured
phase-to-ground voltages according to the defining equation.
6.30.3
Protection and Automation Functions
6.30 Undervoltage Protection with Positive-Sequence Voltage
SIPROTEC 5, Overcurrent Protection, Manual 751
C53000-G5040-C017-8, Edition 07.2017

Table of Contents

Related product manuals