EasyManua.ls Logo

Siemens SIMODRIVE 611 digital - Page 342

Siemens SIMODRIVE 611 digital
436 pages
Print Icon
To Next Page IconTo Next Page
To Next Page IconTo Next Page
To Previous Page IconTo Previous Page
To Previous Page IconTo Previous Page
Loading...
10
05.01
10-342
© Siemens AG 2008 All Rights Reserved
SIMODRIVE 611 Configuration Manual (PJU) – 05/2008 Edition
X
3
5
1
X
1
5
1
X
1
5
1
X
1
5
1
X
3
5
1
X
1
5
1
X
3
5
1
X
3
5
1
X
3
5
1
X
3
5
1
X
3
4
1
X
3
4
1
X
3
4
1
X
1
4
1
X
1
4
1
X
1
4
1
U1
R
X121
72
NE module
(not UI 5 kW)
PR module MSD module (High Stand./High Perf.)Monitoring module 2–axis FD module 1–axis FD module
74
73.1
73.2
X111
Alarm
Ready for operation
9
5.3
5.2
5.1
63
9
Group message
64
19
I2t, temperature
monitoring
Interpulse
enable
Drive
enable
EN+
EN–
X141
15
7
45
44
10
15
M
P24
P15
N15
N24
M
RESET
X161
113
9
112
48
111
213
EN+
Set–up operation
Contactor control
Feedback
Line contactor
X171
NS1
NS2
X172
AS1
AS2
Signaling contact
Start inhibit
SPP
EXT
5 V
UNIT
VDC link>>
X181
M500
P500
2U1
1U1
2V1
1V1
2W1
1W1
V1 W1
X
1
3
1
P600 P600 P600 P600 P600
M600 M600 M600 M600 M600
1R 2R 3R U2 V2 W2 U2 V2 W2P600
X
1
3
1
U1 V1 W1 U1 V1 W1
X181
M500
P500
2U1
1U1
2V1
1V1
2W1
1W1
R
X121
72
74
73.1
73.2
X111
Alarm
Ready for operation
9
5.3
5.2
5.1
63
9
Group message
64
19
I2t, temperature
monitoring
Interpulse
enable
Drive
enable
EN+
EN–
X141
15
7
45
44
10
15
M
P24
P15
N15
N24
M
RESET
X161
9
112
EN+
Setting–up
X121
72
74
73.1
73.2
X111
Alarm
Ready for operation
9
5.3
5.2
5.1
63
9
Group message
64
19
I2t, temperature
monitoring
Interpulse
enable
Drive
enable
EN+
EN–
10
SPP
EXT
5 V
UNIT
VDC link>>
M600 PE1PE
to/from NC
19
50
X221
DC link fast
discharge
X
4
1
1
Motor Encoder
X
4
1
1
Motor encoder 1
X
4
1
2
Motor encoder 2
X
4
1
1
Motor Encoder
.
L
K
.
F
N
L1
L2
L3
PE
External
Pulsed resistor
M
3
G
M
3
G
M
G
M
3
G
L1
L2
L3
M600
P600
P600 M600
3
1
2
4
4
3
2
7
6
5
X
4
2
1
Spindle encoder
AS2
AS1
663
9
Interpulse
EN+
DA1 DA2
IR M
X35
X34
X431
19
B1
9
EN–
EN+
X432
BERO
enable
Reverse
alarm
Start inhibit
X
4
2
1
Direct position 1
AS2
AS1
663
9
Interpulse
EN+
DA1 DA2
DA3 M
X35
X34
X431
19
B1
9
EN–
EN+
X432
BERO 1
enable
X
4
2
2
Direct position 2
BERO 2
B2
AS2
AS1
663
9
Pulse
EN+
DA1 DA2
DA3M
X35
X34
X431
19
B1
9
EN–
EN+
X432
BERO
enable
Reverse
alarm
Start inhibit
X
4
2
1
Direct position
Reverse
alarm
Start inhibit
X
4
6
1
BERO input
X
4
6
1
BERO input 1
X
4
6
2
BERO input 2
X
4
6
1
BERO input
P24
BI1
M24
M24
P24
BI1
M24
M24
BI2
Brake 2
P24
Brake
P24
Brake 1
P24
BI1
P24
Brake
M24
M24
(High Standard/High Performance)
Z
Filter
F
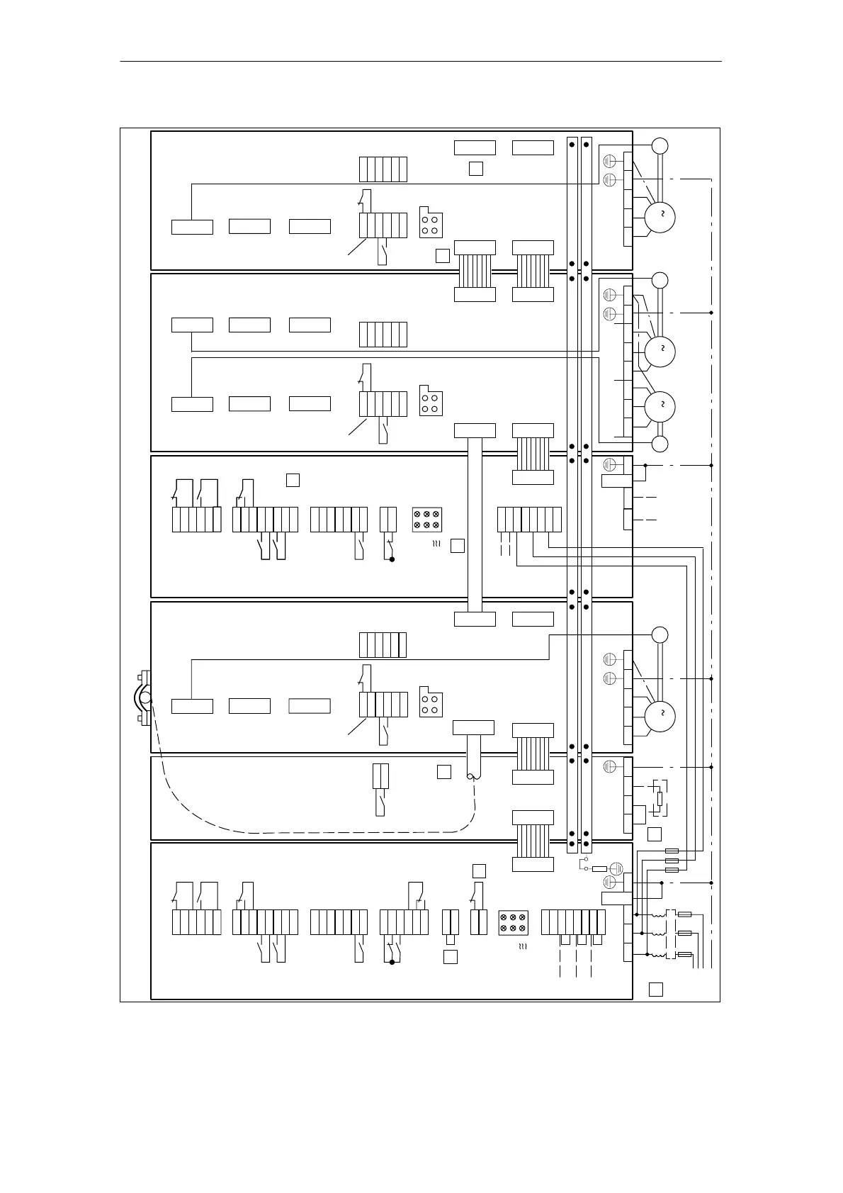
Fig. 10-1 Terminal overview SIMODRIVE 611 digital (High Standard and High Performance)
10 Connection Dia
g
rams 05.08
Aotewell Ltd
www.aotewell.com
Industry Automation
HongKong|UK|China
sales@aotewell.com
+86-755-8660-6182

Table of Contents

Related product manuals