EasyManua.ls Logo

Siemens SIMODRIVE 611 universal - Page 587

Siemens SIMODRIVE 611 universal
930 pages
Print Icon
To Next Page IconTo Next Page
To Next Page IconTo Next Page
To Previous Page IconTo Previous Page
To Previous Page IconTo Previous Page
Loading...
6
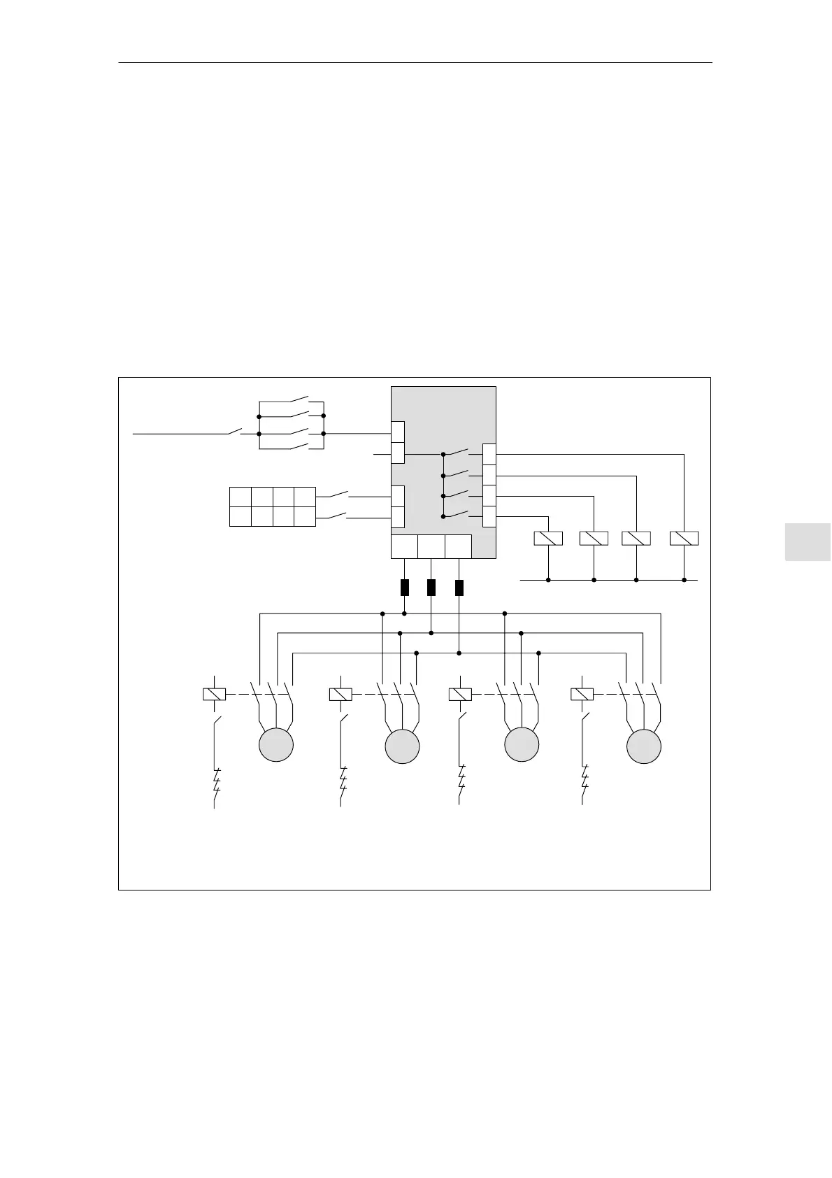
6.11 Motor changeover for induction motors (from SW 2.4)
6-587
Siemens AG 2005 All Rights Reserved
SIMODRIVE 611 universal Description of Functions (FBU) – 04.05 Edition
4 motors should be operated with drive A from ”SIMODRIVE 611 uni-
versal”.
Assumptions for the example:
An optional TERMINAL module is used.
The changeover is realized via the following input/output terminals:
I8 (X422.5) P0668 (function, input terminal I8) = 5
I9 (X422.6) P0669 (function, input terminal I9) = 6
O8 (X432.5) P0688 (signaling function, output terminal O8) = 11
O9 (X432.6) P0689 (signaling function, output terminal O9) = 12
O10 (X432.7) P0690 (signaling function, output terminal O10) = 13
O11 (X432.8) P0691 (signaling function, output terminal O11) = 14
SIMODRIVE
611
universal
T. 663
1) Several motors cannot be simultaneously selected as this is interlocked per software.
The recommended contactor interlocking additionally guarantees that only one motor
can be operated at any one time.
2) Only necessary for special high–speed motors.
Pulse enable
Motor 1 Motor 2 Motor 3 Motor 4
K1
M1
3 ~
K1
K2
K3
K4
Input terminals
I8
I9
2)
K2
M2
3 ~
K
1H
K
2
K
3
K
4
K
2H
K
1
K
3
K
4
K
3H
K
1
K
2
K
4
K3
M3
3 ~
K4
M4
3 ~
K
4H
K
1
K
2
K
3
Output terminals
P24
U2 W2 V2
O11
O10
O9
O8
1)
0
0
1st input
2nd input
Motor selection 1 2 3 4
1
0
0
1
1
1
K
1H
K
2H
K
3H
K
4H
0 V
Fig. 6-80 Recommended circuit: Changing over 4 motors, each with one motor data set
Application
example
6 Description of the Functions
01.99
04.99
! not 611ue !

Table of Contents

Related product manuals