EasyManua.ls Logo

Siemens SIMODRIVE 611 universal - Current and Speed Control; Operating Mode, Speed;Torque Setpoint (P0700 = 1)

Siemens SIMODRIVE 611 universal
930 pages
Print Icon
To Next Page IconTo Next Page
To Next Page IconTo Next Page
To Previous Page IconTo Previous Page
To Previous Page IconTo Previous Page
Loading...
6
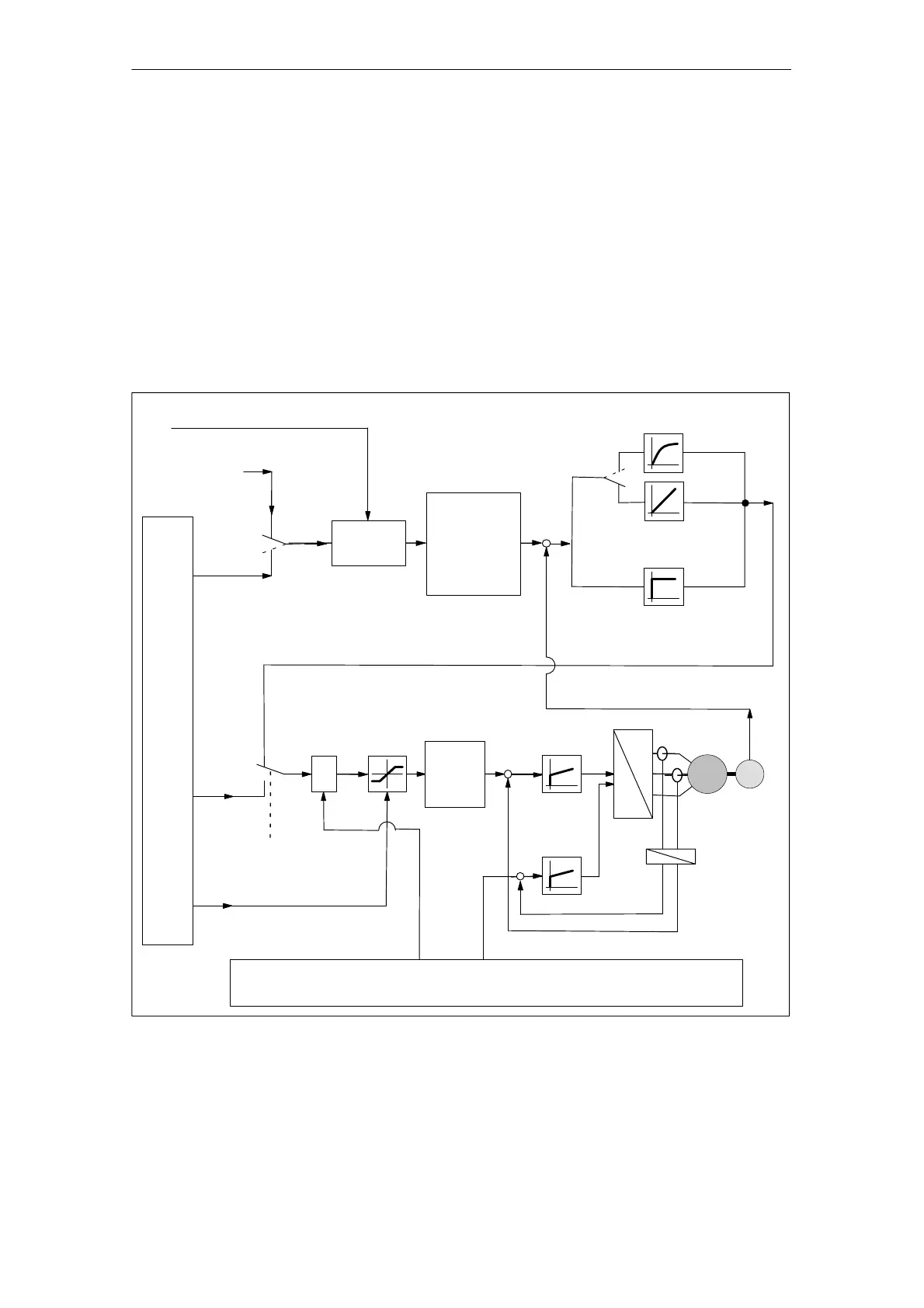
6.1 Operating mode, speed/torque setpoint (P0700 = 1)
6-332
Siemens AG 2005 All Rights Reserved
SIMODRIVE 611 universal Description of Functions (FBU) – 04.05 Edition
6.1.2 Current and speed control
For ”SIMODRIVE 611 universal”, in the ”speed/torque setpoint” mode,
a setpoint can be entered as follows via analog inputs 1 and 2:
Terminal 56.x/14.x (refer to Chapter 6.6)
Speed setpoint n
set
analog/torque setpoint M
set
analog
Terminal 24.x/20.x (refer to Chapter 6.6)
Speed setpoint n
set
analog/torque setpoint M
set
analog/setpoint
for torque reduction M
red
analog
Torque
setpoint
limiting
Proportional
gain K
P
Integral action
time T
N
Current
regulator
M
Red
analog
(refer to Chapter 6.6.2 or 6.6.3)
Speed
controller
Input signal
”Ramp–up time = 0”
Input signal
”open–loop torque–
controlled mode”
P1256:8
P1257:8
P1012.0
P1409
P1407
Current
regulator
I
q
I
d
Setpoint conditioning, analog input
term. 56.x/14.x and/or term. 24.x/20.x (refer to Chapter 6.6)
M
set
analog
(refer to
Chapter
6.6.3)
n
set
analog
(refer to
Chapter
6.6.2)
Time constant
integrator feedback
P1421
P1421
1.0
< 1.0
Inversion,
speed
actual value
(P1011.0)
P0607
P0612
= 0
= 1
n
set
from
PROFIBUS–DP
Ramp–up
encoder
4 current
setpoint
filters
= 0
= 1
ENC
Speed
setpoint filter
Speed
setpoint
limiting
I
d
I
q
Induction motor/1FE1 motor flux sensing and closed–loop flux control
Synchronous motor without 1FE1 motor I
q
set
= M
set
/K
T
(P1113) I
d
set
= 0
I
d
set
Iq
set
Conversion,
torque to
quadrature–
axis current
÷
n
ac
t
V
q
V
d
U
V
W
M
3
Fig. 6-4 Current and speed control
General
information
6 Description of the Functions
01.99
04.99
! 611ue diff !

Table of Contents

Related product manuals