EasyManua.ls Logo

Siemens SINAMICS S120 - Page 228

Siemens SINAMICS S120
1094 pages
To Next Page IconTo Next Page
To Next Page IconTo Next Page
To Previous Page IconTo Previous Page
To Previous Page IconTo Previous Page
Loading...
Vector control
5.4 Speed controller
Drive functions
228 Function Manual, 11/2017, 6SL3097-4AB00-0BP5
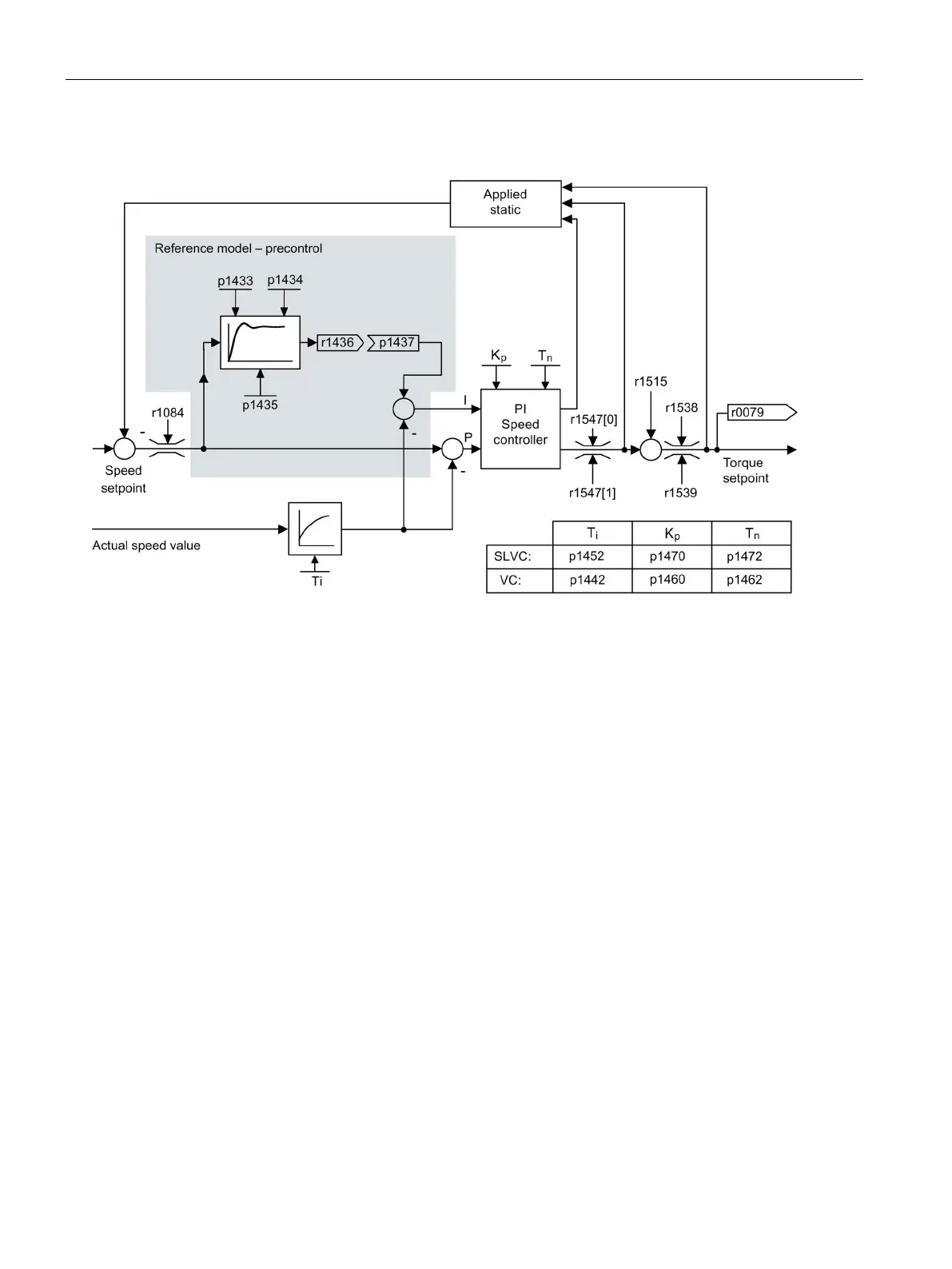
Reference model
Figure 5-10 Reference model
The reference model is activated with p1400.3 = 1.
The reference model is used to emulate the speed control loop with a P speed controller.
The loop emulation can be set in p1433 to p1435. It is activated when p1437 is connected to
the output of model r1436.
The reference model delays the setpoint-actual deviation for the integral component of the
speed controller so that transient conditions can be suppressed.
The reference model can also be emulated externally and its output signal injected via
p1437.

Table of Contents

Other manuals for Siemens SINAMICS S120

Related product manuals