EasyManua.ls Logo

Siemens SINAMICS S120 - Speed Controller Adaptation

Siemens SINAMICS S120
1094 pages
To Next Page IconTo Next Page
To Next Page IconTo Next Page
To Previous Page IconTo Previous Page
To Previous Page IconTo Previous Page
Loading...
Servo control
4.4 Speed controller
Drive functions
Function Manual, 11/2017, 6SL3097-4AB00-0BP5
93
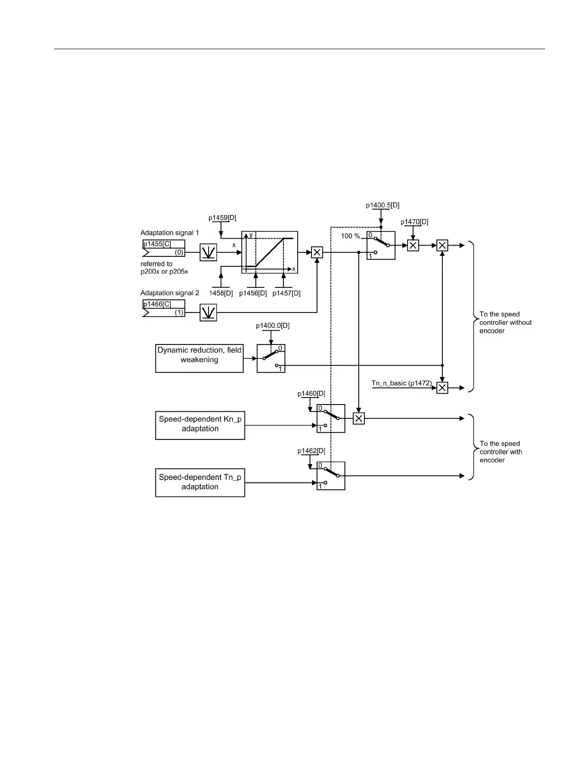
4.4.2
Speed controller adaptation
There are two types of adaptation available: The free K
p_n
adaptation and the speed-
dependent K
p_n
/T
n_n
adaptation.
Free K
p_n
adaptation is also active in "operation without encoder" mode and is used in
"operation with encoder" mode as an additional factor for speed-dependent K
p_n
adaptation.
Speed-dependent K
p_n
/T
n_n
adaptation is only active in "operation with encoder" mode and
also affects the T
n_n
value.
Figure 4-4 Free K
p_n
adaptation

Table of Contents

Other manuals for Siemens SINAMICS S120

Related product manuals