EasyManua.ls Logo

Siemens SINAMICS S120 - Line Contactor Control

Siemens SINAMICS S120
1094 pages
To Next Page IconTo Next Page
To Next Page IconTo Next Page
To Previous Page IconTo Previous Page
To Previous Page IconTo Previous Page
Loading...
Infeed
2.4 Line contactor control
Drive functions
Function Manual, 11/2017, 6SL3097-4AB00-0BP5
57
2.4
Line contactor control
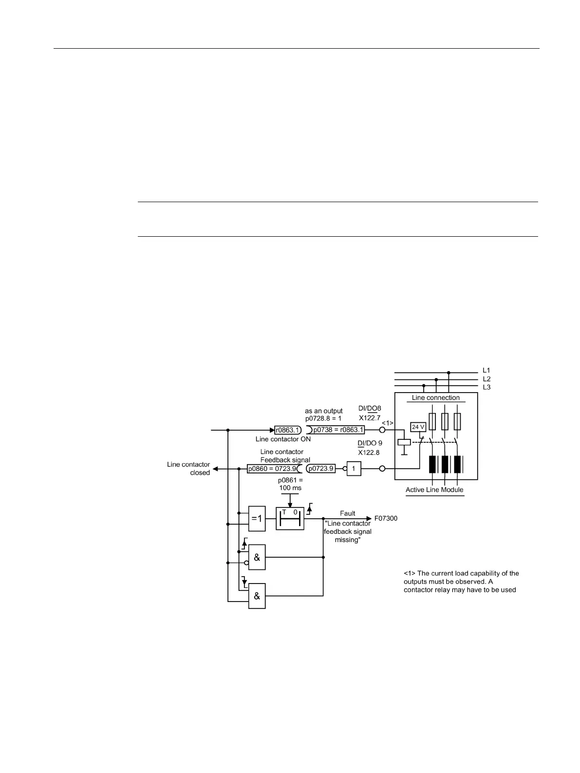
This function can be used to control an external line contactor. Opening and closing the line
contactor can be monitored by evaluating the feedback contact in the line contactor.
The line contactor can be controlled via r0863.1 with the following drive objects:
for the INFEED drive object
for the SERVO and VECTOR drive objects
Note
Further information on the line connection can be found in the manuals:
Example of commissioning line contactor control
Assumption:
Line contactor control via a digital output of the Control Unit (DI/DO 8)
Line contactor feedback via a digital input of the Control Unit (DI/DO 9)
Line contactor switching time less than 100 ms
Figure 2-10 Line contactor control

Table of Contents

Other manuals for Siemens SINAMICS S120

Related product manuals