EasyManua.ls Logo

Skytrak 8042 - Page 413

Skytrak 8042
418 pages
Print Icon
To Next Page IconTo Next Page
To Next Page IconTo Next Page
To Previous Page IconTo Previous Page
To Previous Page IconTo Previous Page
Loading...
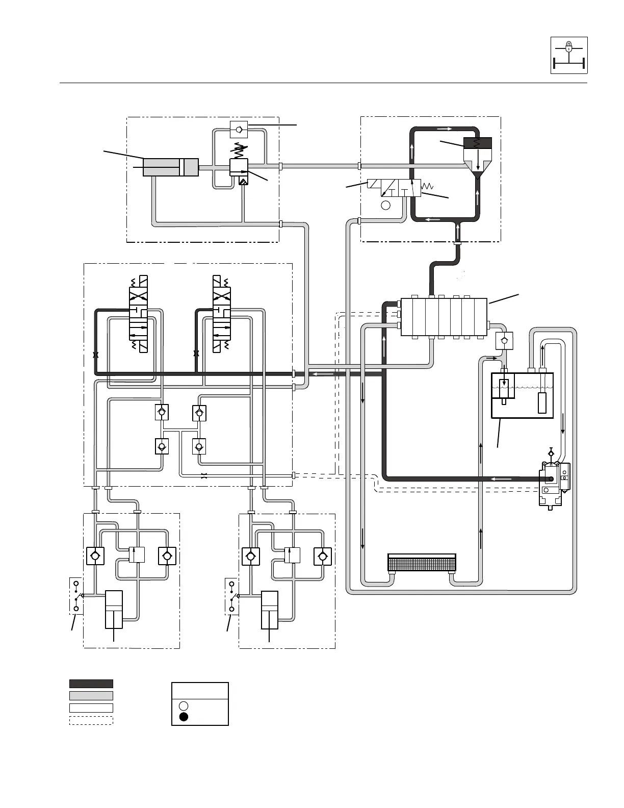
Stabil-TRAK™ System and Boom Interlock System
10-45
6036, 6042, 8042, 10042, 10054 31211015
E
R
E
R
BOOM LOCKOUT VALVE
C1
V1
T
OUTRIGGER
CYLINDER
B2
A2
A1
B1
OUTRIGGER
VALVE
R.H.
L.H.
P
T
LS
Pressure
Sucti on
Ret urn
Load Sense
SOLENOID COIL
STATE
ENERGIZED
DE-ENERGIZED
DE
E
DE
HYDRAULIC
OIL COOLER
HYDRAULIC
RESERVOIR
PUMP
MAIN CONTROL
VALVE
EXTEND/RETRACT CYLINDER
BYPASS
CHECK
VALVE
T
ATTACH TILT
FRAME SWAY
EXT/RET
LIFT/LOWER
AUX
T3
P
LS
MAQ2040
1.2 DIA.
0.156 DIA.
0.156 DIA.
1
2
9
8
3
5
4
6
7
10

Table of Contents