EasyManua.ls Logo

Sony CCD-TR618 - Lcd Section (Pd-131 Board) (Trv Model)

Sony CCD-TR618
234 pages
Print Icon
To Next Page IconTo Next Page
To Next Page IconTo Next Page
To Previous Page IconTo Previous Page
To Previous Page IconTo Previous Page
Loading...
2-3
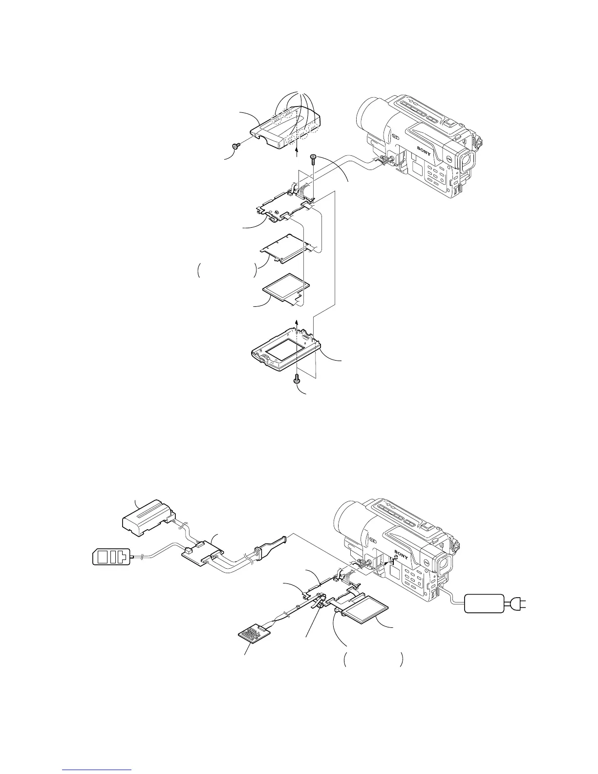
2-2. LCD SECTION (PD-131 BOARD) (TRV MODEL)
PD-131
PD-131
CN5502
A
A
1
Two tapping
screws (B2
×
5)
6
P cabinet M (12) assembly
5
Two tapping
screws (B2
×
7)
2
MI screw
(M2
×
4) (H)
4
P cabinet C (12)
3
Five claws
7
Liquid crystal
indicator module
Liquid crystal
indicator module
8
Back light
Cold cathode
fluorescent tube
9
PD-131 board,
Panel frame (12)
PD-131 board
Panel frame (12)
Back light
Cold cathode
fluorescent tube
Multi CPC jig
(J-6082-311-A)
[PD-131 BOARD SERVICE POSITION]
CPC-jig for BX/BK
(J-6082-521-A)
Adjustment remote
commander (RM-95)
Info lithium battery
(L series)
AC IN
AC power
adaptor

Table of Contents

Related product manuals