EasyManua.ls Logo

Sony CCD-TR618 - Page 91

Sony CCD-TR618
234 pages
Print Icon
To Next Page IconTo Next Page
To Next Page IconTo Next Page
To Previous Page IconTo Previous Page
To Previous Page IconTo Previous Page
Loading...
CCD-TR618/TR618E/TR718E/TR728E/TR818/TRV49/TRV49E/TRV58/
TRV58E/TRV59E/TRV68/TRV78/TRV78E/TRV88/TRV98/TRV98E
4-52
LINE IN/OUT AMP
VC-251 (5/11)
For Schematic Diagram
• Refer to page 4-39 for printed wiring board.
• Refer to pages 4-68,69 for waveforms.
R0/P1.65
2.2
0
2.2
2.2
2.2
R2.7
0
R0.3/P0
0
0.1
2.2
4.6
0
2.8
R0.4/P0.2
2.6
2.8
0.9
2.4
0.1
1.7
1.4
0.1
4.6
4.0
1.8
0
0
4.6
1.9
1.6
1.3
1.3
R0/P1.9
28
29
30
31
33
32
NO MARK:REC/PB MODE
R :REC MODE
P :PB MODE
C225
1u
B
C247
2.2u 50V
C249 220u 4V
C250
220u
4V
C248
2.2u
50V
C246
0.01u
B
1005
C234
XX
B
1005
C226
XX
B
1005
C235
1u
B
1608
C252
10u
16V
C251
XX
B
C221
0.1u
B
1005
XCS_IO
VC_SO
XVC_SCK
68
R229
FB221
L221
10uH
XX
B
C231
AN2225FHQ-EB
IC221
123456789101112
13 14 15 16 17 18 19 20 21 22 23 24
252627282930313233343536
373839404142434445464748
0.01u
B
1005
C238
C233
25V
2.2u
KINUTA_Y_OUT
KINUTA_C_OUT
D_2.8V
A_4.75V
REG_GND
LINE_Y
VIDEO_I/O
C_I/O
Y_I/O
IR_VIDEO
± 0.5%
22k
R232
C228
XX
B
C227
XX B
C236
XX
CH
CL201
CL202
CL203
CL204
CL205
CL206
CL207
CL210
CL208
CL009
CL211
CL212
CL213
0
R226
6.3V
10u
C223
RB221
RB222
RB223
10uH
L224
1
A
VC_SO
XVC_SCK
XCS_IO
VIDEO_I/O
C_I/O
Y_I/O
IR_VIDEO
IR_VIDEO
XVC_SCK
VC_SO
XCS_IO
DR_C_OUT_T
VIDEO_I/O
DR_V_OUT_T
DR_V_OUT_T
DR_Y_OUT_T
C_I/O
DR_C_OUT_T
DR_Y_OUT_T
Y_I/O
C_GCA_CONT
AGC_VVOUT
C_IN2
MAIN_VCC
C_IN3
D_GND
C_IN4
D_VCC
SI
XSCK
XCS
C_GND
SDC
DRV_C_OUT
C_VCC
Y_GND
Y_INV
DRV_Y_OUT
Y_VCC
V_GND
V_INV
DRV_V_OUT
V_VCC
IR_V_OUT
MM_TC2
4FSC_OUT
MM_TC3
XTAL
PLL_VCC
EXTAL
APC_FIL
BGT_OUT
PLL_GND
INPUT_C_OUT
VREF
INPUT_Y_OUT
IR
MAIN_GND1
Y_IN1
MAIN_GND2
SYNC_SEP_TC
Y_IN2
CLAMP_TC1
Y_IN3
CLAMP_TC2
Y_IN4
Y_GCA_CONT
C_IN1
1k
1k
68kX2
40
TO(10/11)
TO(2/11)
9
8
TO(1/11)
22
TO(11/11)
23
TO(7/11)
IC221
LINE IN/OUT
Y
VIDEO SIGNAL
SIGNAL PATH
CHROMA Y/CHROMA
REC
PB
XX MARK:NO MOUNT
VC-251 BOARD(5/11)
-REF.NO.: 10000 SERIES-
LINE IN/OUT AMP(IO BLOCK)
16
10
G
56
E
38
B
D
C
924 7
F
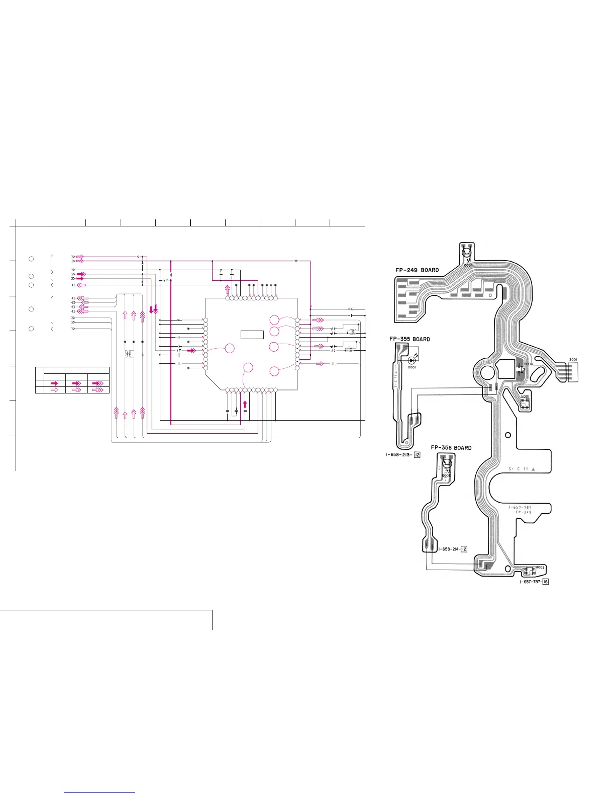
FP-249 (S/T REEL SENSOR, TAPE TOP), FP-356 (TAPE END), FP-355 (TAPE LED)
FLEXIBLE BOARD
— Ref. No. FP-249, 356, 355 Flexible board; 5,000 series —
/
S/T REEL SENSOR, TAPE TOP, TAPE END, TAPE LED
FP-249, FP-356, FP-355

Table of Contents

Related product manuals