EasyManua.ls Logo

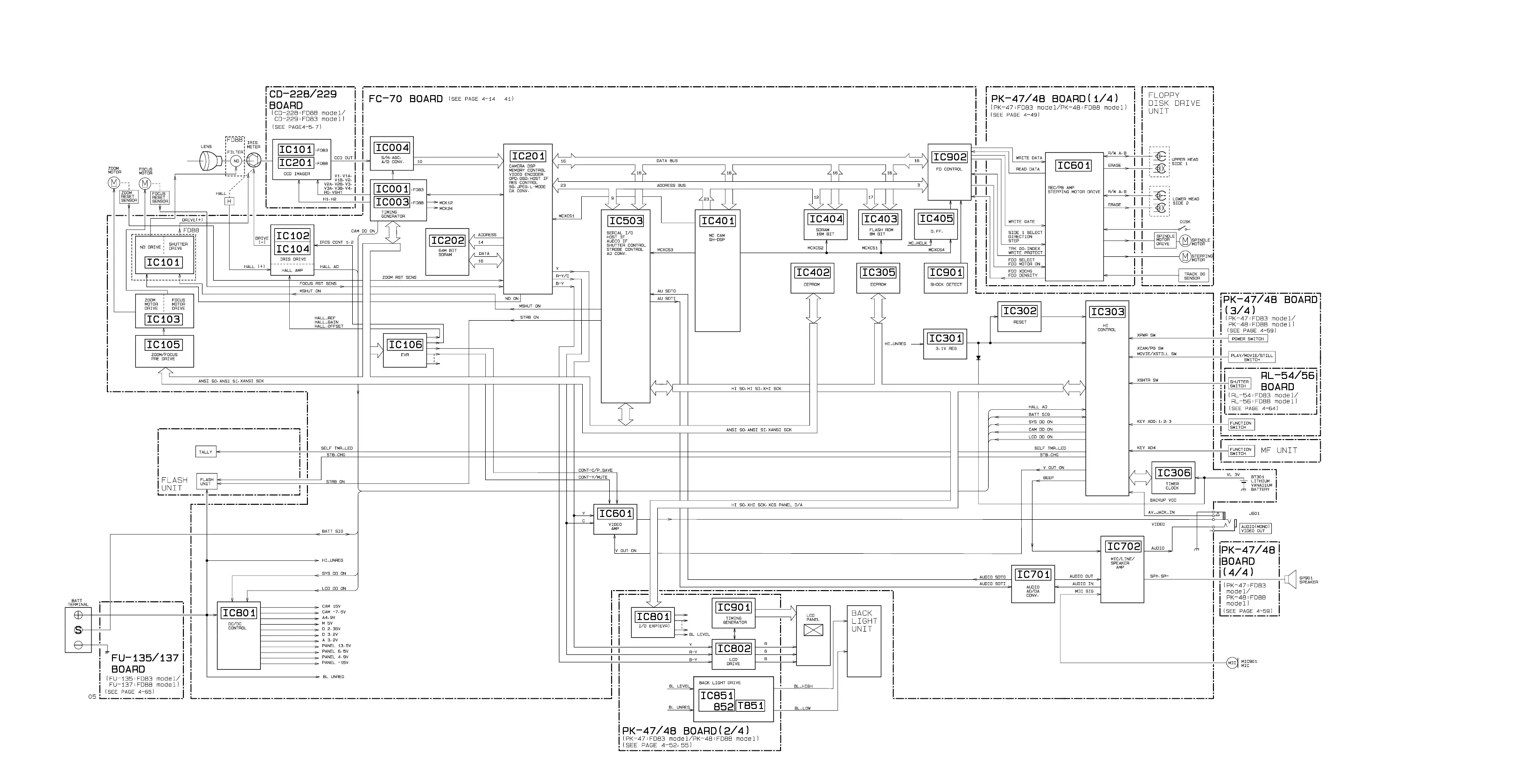
Sony MVC-FD83 - Block Diagrams; Overall Block Diagram

Sony MVC-FD83
113 pages
Print Icon
To Next Page IconTo Next Page
To Next Page IconTo Next Page
To Previous Page IconTo Previous Page
To Previous Page IconTo Previous Page
Loading...
MVC-FD83/FD88
3-1 3-2 3-3
SECTION 3
BLOCK DIAGRAMS
3-1. OVERALL BLOCK DIAGRAM
to

Table of Contents

Related product manuals