EasyManua.ls Logo

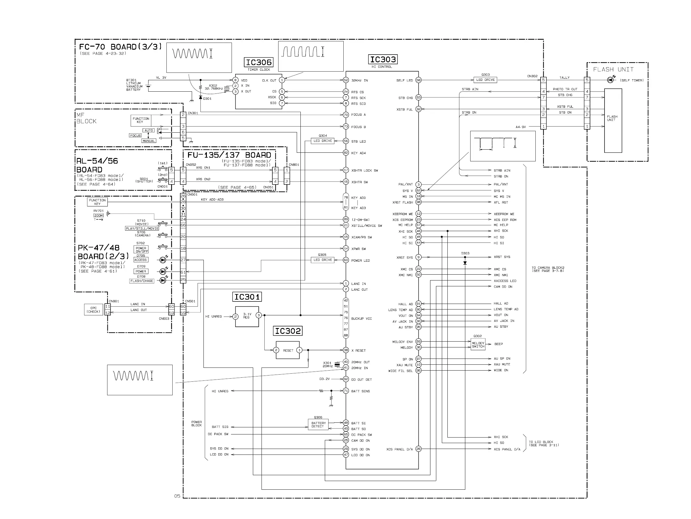
Sony MVC-FD83 - Mode Control Block Diagram

Sony MVC-FD83
113 pages
Print Icon
To Next Page IconTo Next Page
To Next Page IconTo Next Page
To Previous Page IconTo Previous Page
To Previous Page IconTo Previous Page
Loading...
MVC-FD83/FD88
3-9 3-10
3-4. MODE CONTROL BLOCK DIAGRAM
3.2 Vp-p
3.2 Vp-p
700 mVp-p
3.2 Vp-p
V
20 MHz
32.768 kHz
32.768 kHz
IC303 REC/PB
IC303 ^™ REC/PB
IC306 3 REC/PB
IC306 1 REC/PB

Table of Contents

Related product manuals