EasyManua.ls Logo

Sony MVC-FD83 - LCD Block Diagram

Sony MVC-FD83
113 pages
Print Icon
To Next Page IconTo Next Page
To Next Page IconTo Next Page
To Previous Page IconTo Previous Page
To Previous Page IconTo Previous Page
Loading...
MVC-FD83/FD88
3-11 3-12 3-13
3-14
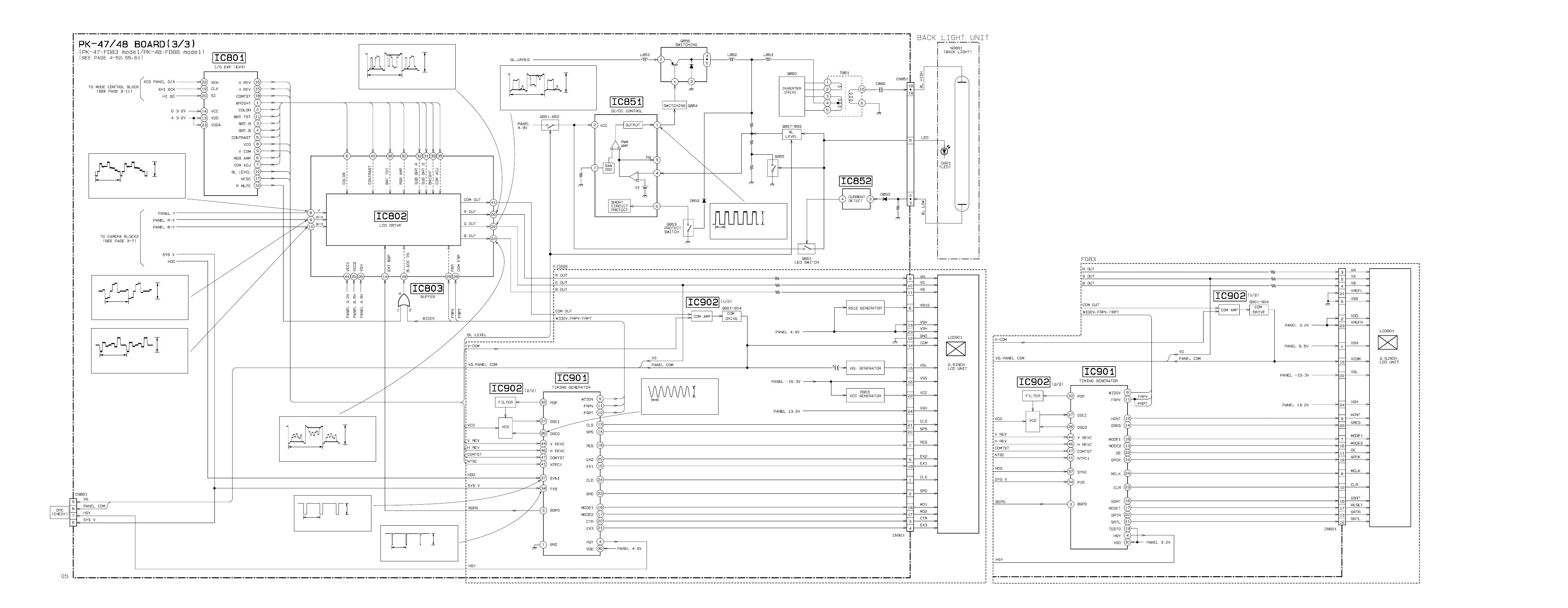
3-5. LCD BLOCK DIAGRAM
580m Vp-p
460m Vp-p
220 mVp-p
4.4 Vp-p
4.4 Vp-p
H
H
H
2H
2H
4.4 Vp-p
2H
IC802 8 REC/PB
IC802 9 REC/PB
IC802 REC/PB
IC802 REC/PB
IC802 @™ REC/PB
IC802 REC/PB
3.2 Vp-p
2.4 Vp-p
3.8 Vp-p
V
H
150 nsec
IC901 REC/PB
IC901 REC/PB
IC901 REC/PB
6.0 Vp-p
2 µsec
IC851 1 REC/PB

Table of Contents

Related product manuals