EasyManua.ls Logo

Sony MVC-FD83 - Camera Block Diagram 1

Sony MVC-FD83
113 pages
Print Icon
To Next Page IconTo Next Page
To Next Page IconTo Next Page
To Previous Page IconTo Previous Page
To Previous Page IconTo Previous Page
Loading...
MVC-FD83/FD88
3-7 3-8
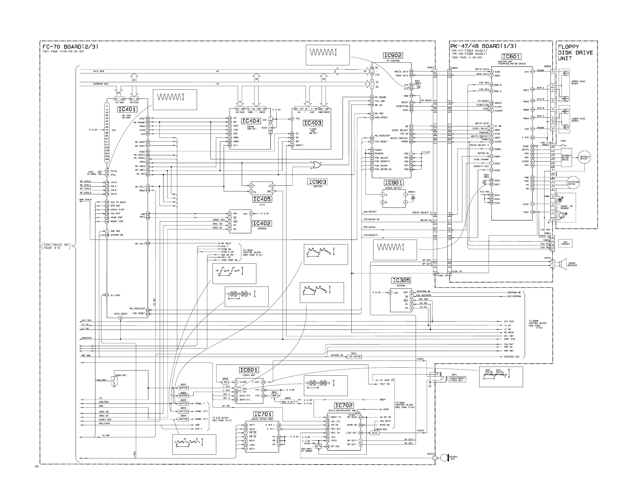
3-3. CAMERA BLOCK DIAGRAM 2
460 mVp-p
420 mVp-p
210 mVp-p
500 mVp-p
H
H
H
H
Q202 B REC/PB (A/V OUT jack used)
Q203 B REC/PB
Q204 B REC/PB
Q205 B REC/PB
1.6 Vp-p
12.9024 MHz
IC401 REC/PB
1.3 Vp-p
48 MHz
IC902 REC/PB
480 mVp-p
540 mVp-p
2.1 Vp-p
H
H
H
IC601 REC/PB (A/V OUT jack used)
IC601 1 REC/PB (A/V OUT jack used)
IC601 !™ REC/PB (A/V OUT jack used)
4.0 Vp-p
4 MHz
IC601 @∞ REC/PB

Table of Contents

Related product manuals