EasyManua.ls Logo

Sony MVC-FD83 - Audio A;D D;A Converter

Sony MVC-FD83
113 pages
Print Icon
To Next Page IconTo Next Page
To Next Page IconTo Next Page
To Previous Page IconTo Previous Page
To Previous Page IconTo Previous Page
Loading...
MVC-FD83/FD88
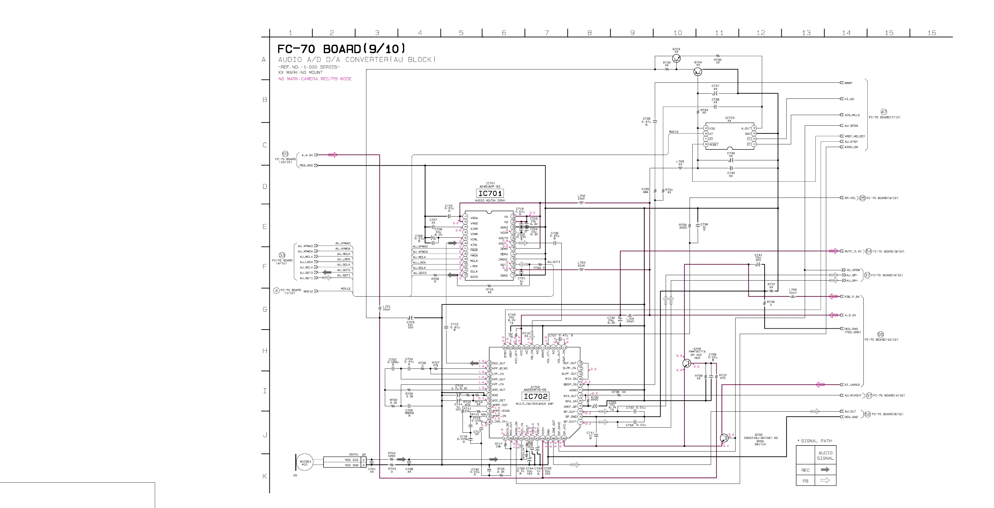
AUDIO A/D D/A CONVERTER
FC-70 (9/10)
4-38
4-39 4-40
FC-70 (AUDIO A/D D/A CONVERTER) SCHEMATIC DIAGRAM See page 4-9 for FC-70 printed wiring board.

Table of Contents

Related product manuals