EasyManua.ls Logo

Sony MVC-FD83 - PK-47;48 (LCD DRIVE) Schematic Diagram

Sony MVC-FD83
113 pages
Print Icon
To Next Page IconTo Next Page
To Next Page IconTo Next Page
To Previous Page IconTo Previous Page
To Previous Page IconTo Previous Page
Loading...
MVC-FD83/FD88
4-52 4-53
LCD DRIVE
PK-47/48 (2/5)
4-54
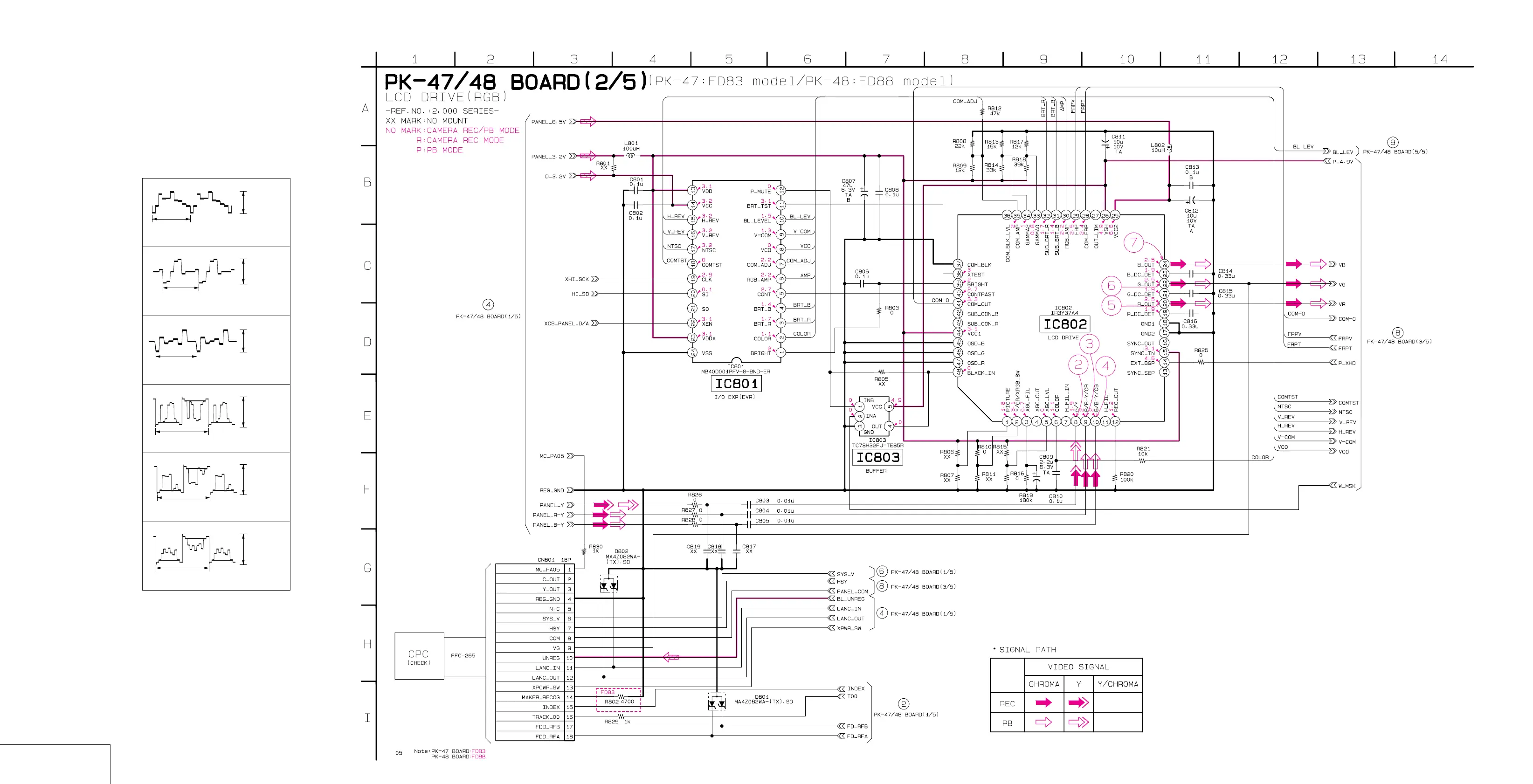
PK-47/48 (LCD DRIVE) SCHEMATIC DIAGRAM See page 4-45 for PK-47/48 printed wiring board.
PK-47/48 BOARD (2/5)
580m Vp-p
460m Vp-p
220 mVp-p
4.4 Vp-p
4.4 Vp-p
H
H
H
2H
2H
4.4 Vp-p
2H
2
3
4
5
6
7
IC802 8 REC/PB
IC802 9 REC/PB
IC802 REC/PB
IC802 REC/PB
IC802 @™ REC/PB
IC802 REC/PB

Table of Contents

Related product manuals