EasyManua.ls Logo

Sony MVC-FD83 - A;V OUT) Schematic Diagram

Sony MVC-FD83
113 pages
Print Icon
To Next Page IconTo Next Page
To Next Page IconTo Next Page
To Previous Page IconTo Previous Page
To Previous Page IconTo Previous Page
Loading...
MVC-FD83/FD88
MVC-FD83/FD88
4-35 4-36
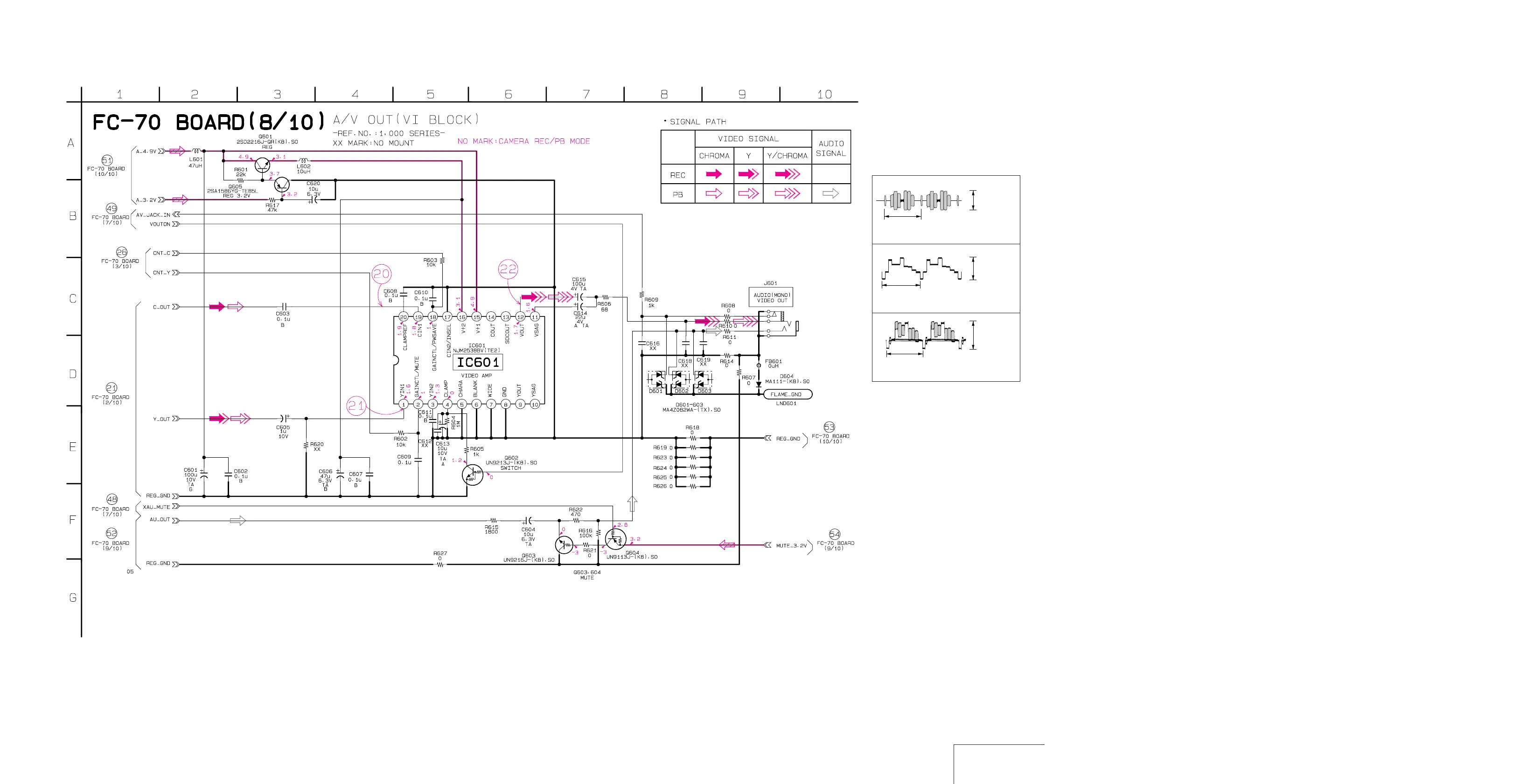
FC-70 (A/V OUT) SCHEMATIC DIAGRAM See page 4-9 for FC-70 printed wiring board.
A/V OUT
FC-70 (8/10)
FC-70 BOARD (8/10)
480 mVp-p
540 mVp-p
2.1 Vp-p
H
H
H
@™
IC601 REC/PB (A/V OUT jack used)
IC601 1 REC/PB (A/V OUT jack used)
IC601 !™ REC/PB (A/V OUT jack used)

Table of Contents

Related product manuals