EasyManua.ls Logo

SUNWARD SWDE200B - Control Handle and Dashboard Layout

SUNWARD SWDE200B
109 pages
Print Icon
To Next Page IconTo Next Page
To Next Page IconTo Next Page
To Previous Page IconTo Previous Page
To Previous Page IconTo Previous Page
Loading...
SWDE200B Operation & Maintenance Manual
20
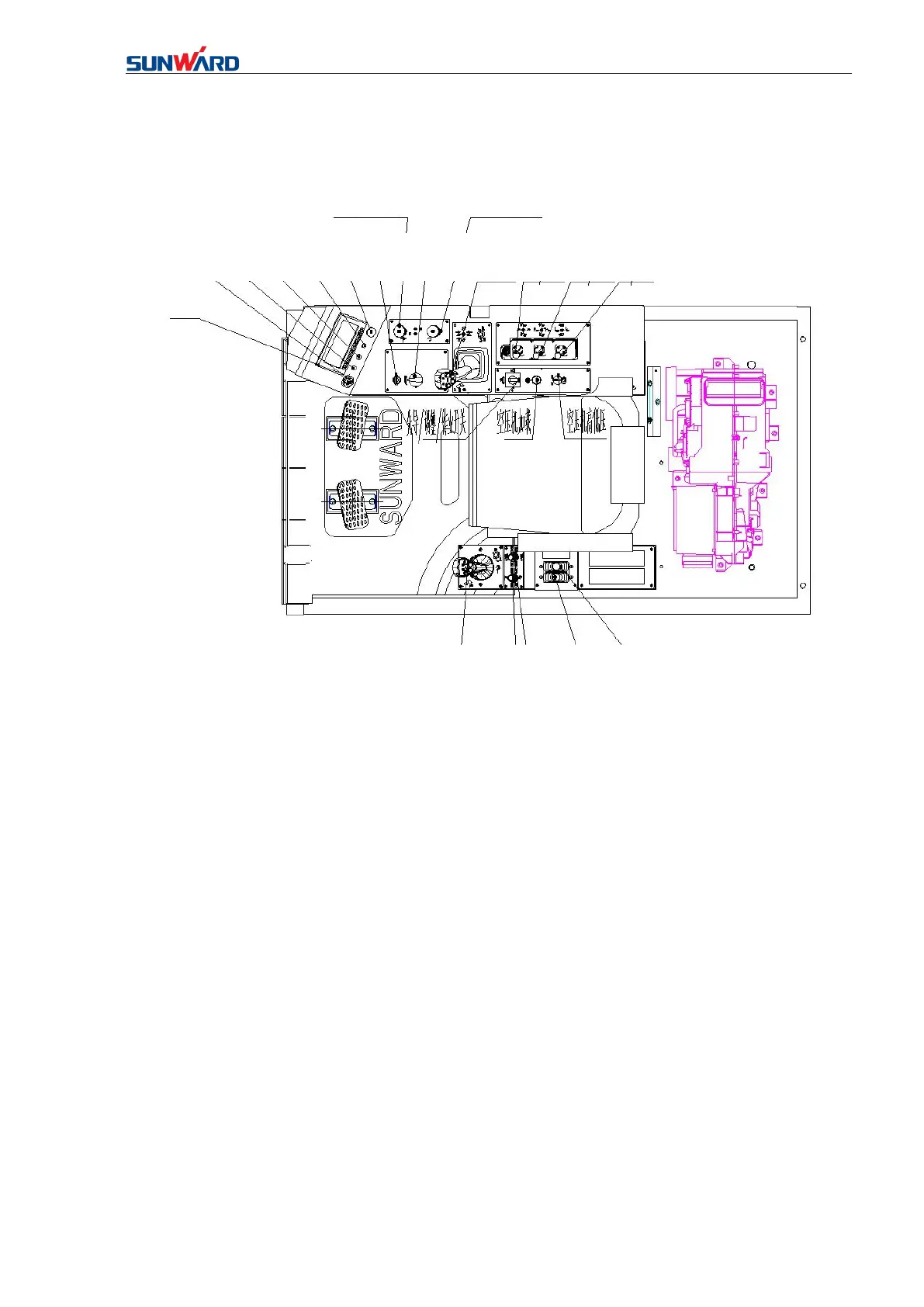
2.2 CAB CONTROL HANDLE & DASHBOARD LAYOUT
FIG. 2.2.1 Console Layout
Feed Pressure Adjustment Rotation Speed Adjustment
Emergency Stop White Yellow Red Buzzer Ignition Key Accelerator Drilling Handle Extension/Levelling Boom Lift/Tilt Frame Lift/Tilt
Display Screen
Operation Handle Rod Unloading/Upper Clamp Dust Hodd/Lower Clamp Left Travel Handle Right Travel Handle

Table of Contents

Related product manuals