EasyManua.ls Logo

Varec 2500 - Page 101

Varec 2500
124 pages
Print Icon
To Next Page IconTo Next Page
To Next Page IconTo Next Page
To Previous Page IconTo Previous Page
To Previous Page IconTo Previous Page
Loading...
Varec, Inc. 91
.
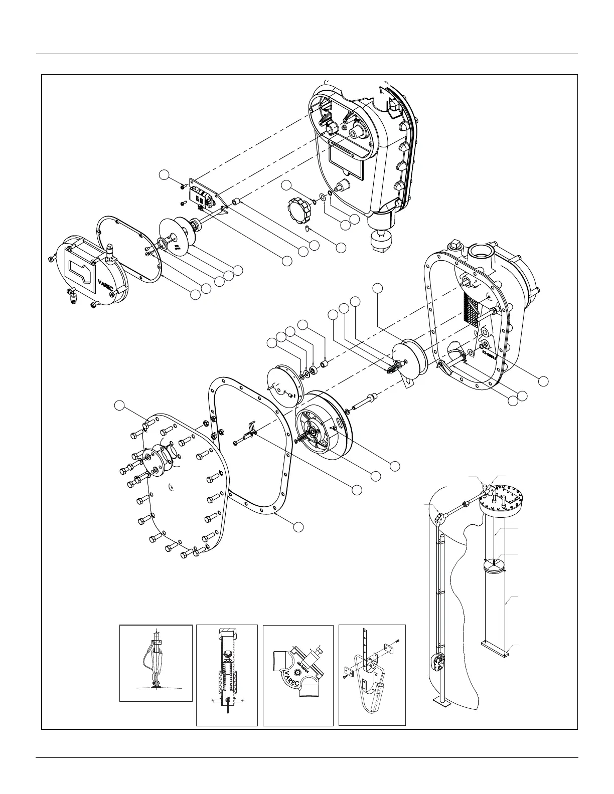
Figure 19: 2500 ATG (Type C Gauge Head Shown) Overhaul Maintenance Kit Parts Diagram
25
15
44
1
26
38
14
57
4
12
31
37
23
48
45
55
33
29
24
5
7
9
6
42
22
31
21
40
43
AA
Tape Clamp Assembly
Example Cone Roof Installation
BB
GG
HH
EE or FF
DD
BB
GG
Top Guidewire Anchor
AA & CC
BB
Sheave Elbow Cover,
Gasket and Bolt
CC
Float Grounding Kit

Table of Contents