EasyManua.ls Logo

Volvo L90E - Climate control system

Volvo L90E
204 pages
Print Icon
To Next Page IconTo Next Page
To Next Page IconTo Next Page
To Previous Page IconTo Previous Page
To Previous Page IconTo Previous Page
Loading...
Operator comfort هﺪﻨﻧار ﺶﯾﺎﺳآ
62
اﻮﻫ لﺮﺘﻨﮐ ﻢﺘﺴﯿﺳ
لﺮﺘﻨﮐ ﻦﻓ -1
شﻮﻣﺎﺧ = 0 ﺖﯿﻌﺿو
رود ﺮﺜﮐاﺪﺣ = 4 ﺖﯿﻌﺿو
تراﺮﺣ لﺮﺘﻨﮐ -2
دﺮﺳ = (ﯽﺑآ ﺖﻤﺴﻗ) ﻮﻠﺟ ﻪﺑ ور مﺮﻫا
= (ﺰـﻣﺮﻗ ﺖﻤـﺴﻗ) ﺐـﻘﻋ ﻪــﺑ ور مﺮﻫا
مﺮﮔ
اﻮﻫ نﺎﯾﺮﺟ لﺮﺘﻨﮐ -3
اﻮﻫ نﺎﯾﺮﺟ ﺮﺜﮐاﺪﺣ = ﻮﻠﺟ ﻪﺑ ور مﺮﻫا
اﻮﻫ نﺎﯾﺮﺟ ﻞﻗاﺪﺣ = ﺐﻘﻋ ﻪﺑ ور مﺮﻫا
عﻮﺒﻄﻣ ﻪﯾﻮﻬﺗ ﺪﯿﻠﮐ -4
هدﺮـﺸﻓ ﻞـﺧاد ﻪـﺑ ﺪــﯿﻠﮐ ﯽﯾﺎﻬﺘﻧا ﻪﺒﻟ
رﺎـــﮑﺑ عﻮـــﺒﻄﻣ ﻪــــﯾﻮﻬﺗ = دﻮــﺷ
(ﮏﯿﺗﺎﻣﻮﺗا رﻮﻄﺑ ﻦﻓ ﺖﮐﺮﺣ) ﺪﺘﻓا ﯽﻣ
یاﺮـﺑ) دﺎــﯾز ﯽﻠﯿﺧ ﻢﺘﺴﯿﺳ رﺎﺸﻓ ﺮﮔا
ﺎﯾ (ﺪﺷﺎﺑ هﺪﺷ ﻒﯿﺜﮐ رﻮﺴﻧاﺪﻧﻮﮐ لﺎﺜﻣ
ﻪــﯾﻮﻬﺗ ﻢﺘـﺴﯿﺳ ، ﺪـﺷﺎﺑ ﻢـﮐ ﯽـﻠﯿﺧ
زا ﺶـﯿﭘ . دﻮــﺷ ﯽﻣ شﻮﻣﺎﺧ عﻮﺒﻄﻣ
ﺪﯾﺎـﺑ ﻢﺘـﺴﯿﺳ دﺪـﺠﻣ ندﺮــﮐ ﻦﺷور
و ﯽﯾﺎــﺳﺎﻨﺷ ار لﺎﮑـــﺷا زوﺮـﺑ ﺖـﻠﻋ
ﻪـﺤﻔﺻ ﻪــﺑ ، ﺪﯿﺋﺎﻤﻧ فﺮﻃﺮﺑ ار لﺎﮑﺷا
. ﺪﯿﺋﺎﻤﻧ ﻪﻌﺟاﺮﻣ 124
نﺎــﯾﺮﺟ یﺎﻫ ﻪﭽﯾرد -5
اﻮﻫ
، اﻮـﻫ نﺎﯾﺮﺟ یﺎﻫ ﻪﭽﯾرد ندﺮﮐ زﺎﺑ ﺎﺑ
. دﻮﺷ ﯽﻣ ﻢﻫاﺮﻓ ﺮﺘﻬﺑ ﻪﯾﻮﻬﺗ نﺎﮑﻣا
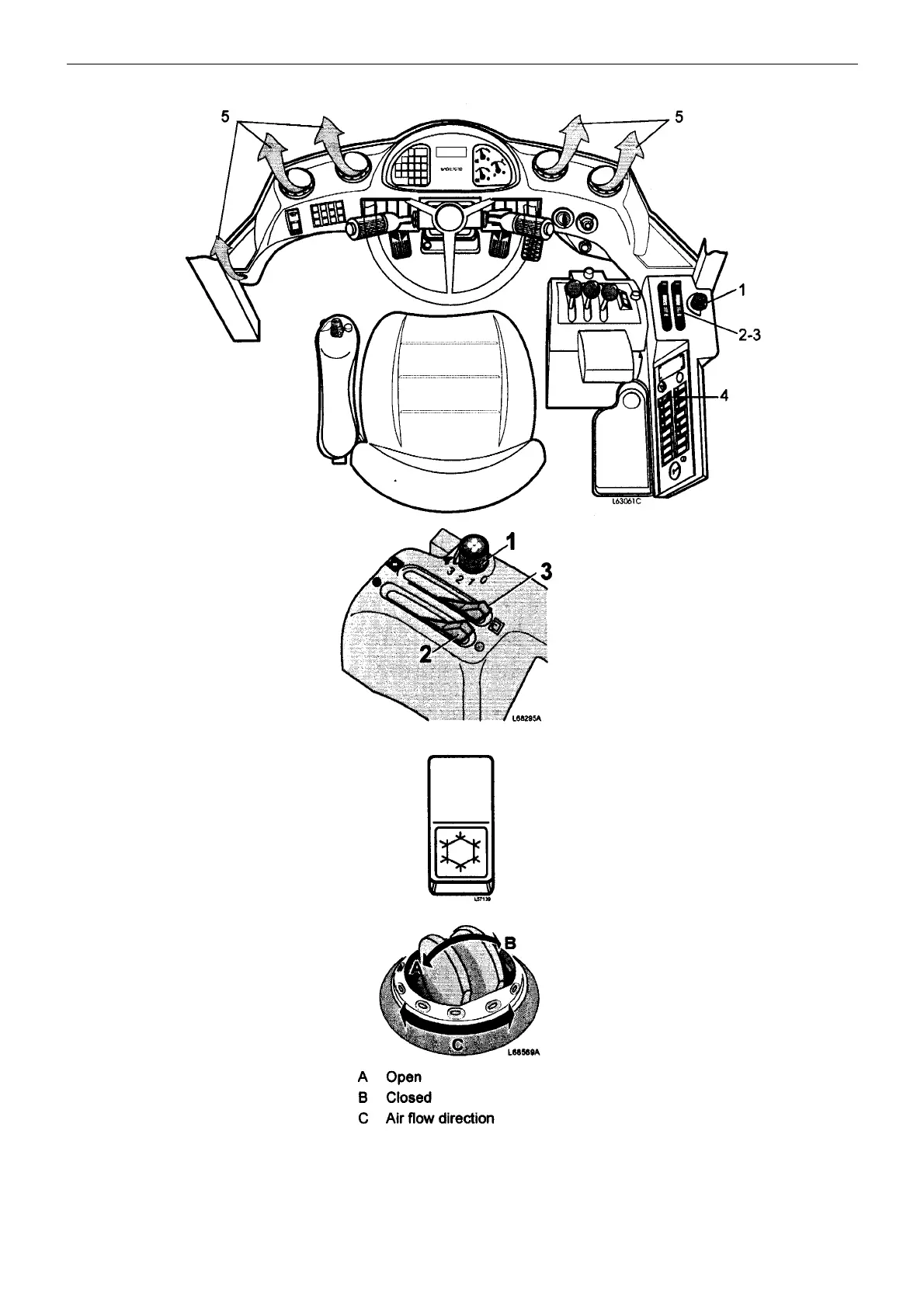
Climate control system
1 Fan control
Position 0 = Turned off
Position 4 = Maximum
speed
2 Temperature control
Control forward (blue) =
Cold
Control rearward (red) =
Warm
3 Recirculation
control
Control forward = Maximum
recirculation
Control rearward = Minimum
recirculation
4 Switch, air
conditioning
Lower end of switch pressed
in = Air conditioning
engaged (the fan starts
automatically).
If the pressure in the system
becomes too high (e.g. if the
condenser is clogged up) or
too low, the air conditioning
will cut out.
Investigate and rectify the
cause of the altered
pressure before restarting
the function, see page 124.
5 Ventilation nozzles
Open ventilation nozzles to
obtain the best possible
ventilation.
زﺎﺑ A
ﻪﺘﺴﺑ B
نﺎﯾﺮﺟ ﺖﻬﺟ C
اﻮ

Table of Contents

Related product manuals