EasyManua.ls Logo

WEG CFW08 Vector inverter Plus - Page 109

WEG CFW08 Vector inverter Plus
167 pages
Print Icon
To Next Page IconTo Next Page
To Next Page IconTo Next Page
To Previous Page IconTo Previous Page
To Previous Page IconTo Previous Page
Loading...
108
DETAILED PARAMETER DESCRIPTION
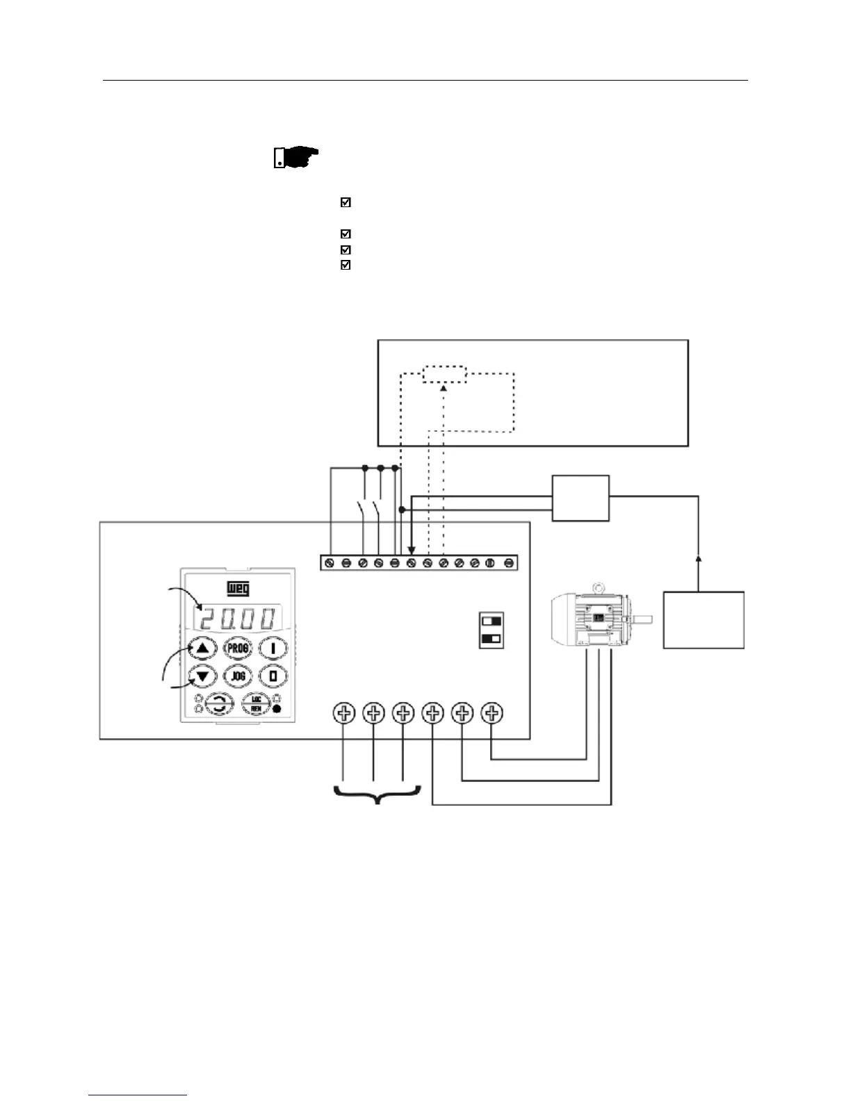
Figure 6.26 - Application example of an inverter with PID regulator
NOTE!
The inverter setting must be correct in order to obtain a good performance
of the PID regualtor. Ensure the following settings:
torque boosts (P136 and P137) and slip compensation (P138) in the
V/F control (P202=0 ou 1);
ensure that the self-tuning has been run, if in vector control (P202=2);
acceleration and deceleration ramps (P100...P103);
current limitation (P169).
CFW-08
P040
Content
Setpoint can
be changed
by the keys
X1
1 2 3 4 5 6
Line
1
2
S1
off on
123456789101112
DI1 - Gen.enable
DI3 - Manual/Auto
DI4 - Star/Stop
AI1 - Feedback
Pressure
Transducer
4-20mA
0-25 bar
0-100%
(0-25bar)
5k
Setpoint via AI2 (available
with CFW-08 Plus only)
P222=2
P238=1.00
P239=0
P240=0.00
Remote mode operation (P220=1)
Setpoint via keypad.
Inverter Parametrization:
P220=1 P520=1.000
P222=0 P521=1.000
P234=1.00 P522=0.000
P235=1 P525=0
P238=0.00 P526=0.1s
P203=1 P527=0
P205=6 P528=25
Process

Table of Contents

Related product manuals