EasyManua.ls Logo

Yamaha 55DEHD - Page 79

Yamaha 55DEHD
269 pages
Print Icon
To Next Page IconTo Next Page
To Next Page IconTo Next Page
To Previous Page IconTo Previous Page
To Previous Page IconTo Previous Page
Loading...
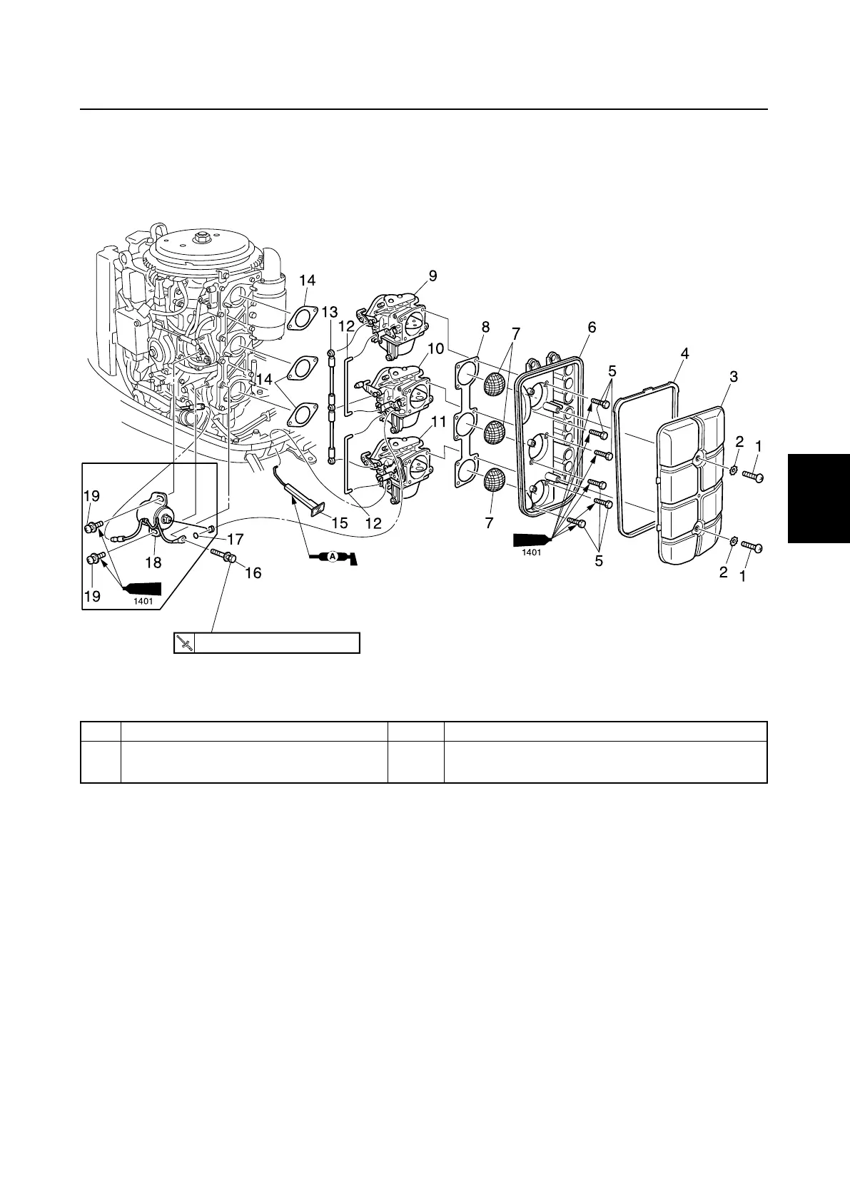
6885J11
4-10
9
8
7
6
5
4
3
2
1
ED, ET
12 N·m (1.2 kgf·m, 8.9 ft·lb)
6884060E
No. Part name Qty Remarks
18 Choke solenoid 1 ED, ET
19 Screw 2 ø6 × 15 mm : ED, ET
Carburetor
6885J11_04 06.10.3 11:49 Page 11

Table of Contents