EasyManua.ls Logo

ABB ACS355 series - State Shifts

ABB ACS355 series
436 pages
To Next Page IconTo Next Page
To Next Page IconTo Next Page
To Previous Page IconTo Previous Page
To Previous Page IconTo Previous Page
Loading...
Program features 161
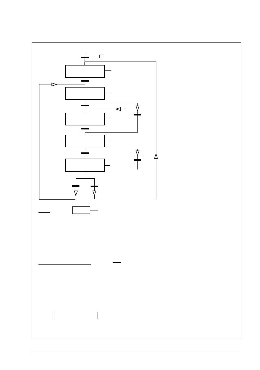
State shifts
1/1/1
0/1/1
1/1/0
1/1/0
1)
2)
3)
4)
7)
8)
5)
0/0/1
9)
6)
A
A
State (Symbol )
- NN: State name
- X/Y/Z: State outputs/operations
X = 1 Open the brake. The relay output set to brake on/off control energizes.
Y = 1 Forced start. The function keeps the internal Start on until the brake is closed in
spite of the status of the external Start signal.
Z = 1 Ramp in zero. Forces the used speed reference (internal) to zero along a ramp.
NN
X/Y/Z
State change conditions (Symbol )
1) Brake control active 0 -> 1 OR Inverter is modulating = 0
2) Motor magnetised = 1 AND Drive running = 1
3) Brake is open AND Brake open delay passed AND Start = 1
4) Start = 0
5) Start = 0
6) Start = 1
7) Actual motor speed < Brake close speed AND Start = 0
8) Start = 1
9) Brake is closed AND Brake close delay passed = 1 AND Start = 0
RFG = Ramp function
generator in the speed control
loop (reference handling).
NO
MODULATION
RELEASE RFG
INPUT
OPEN
BRAKE
RFG INPUT
TO ZERO
CLOSE
BRAKE
From any state
(rising edge)

Table of Contents

Other manuals for ABB ACS355 series

Related product manuals