EasyManua.ls Logo

Beaver Contessa - Alternator

Beaver Contessa
266 pages
Print Icon
To Next Page IconTo Next Page
To Next Page IconTo Next Page
To Previous Page IconTo Previous Page
To Previous Page IconTo Previous Page
Loading...
ELECTRICAL SYSTEMS - CHASSIS — 9
182
20 08 CONTESSA
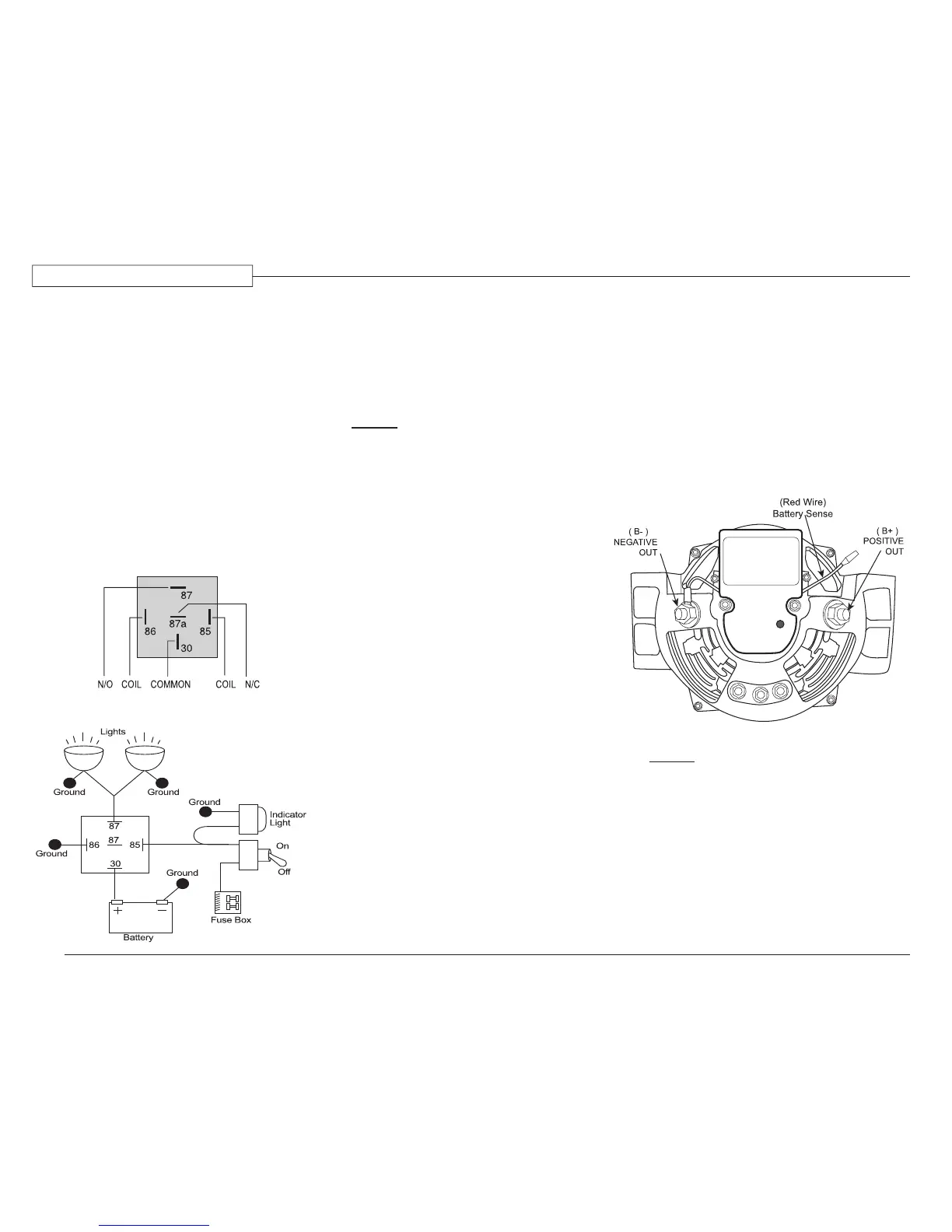
4. The 87 posts are not common to the
30 post until the relay is tripped.
When the relay trips, both 87 posts are
common to the 30 post.
5. Using an 87a relay, the 30 post and the
87a post are common. When the coil is
tripped, the 87a post becomes inactive
and the 30 post becomes common to
the 87 post located on the outside of
the relay.
A Single Pole Single Throw relay (SPST) is
an electro-magnetic switch consisting of a coil
(terminals 85 & 86), one common terminal (30),
one normally closed terminal (87a), and one
normally open terminal (87).
When the coil of the relay is at rest (not
energized) the common terminal (30) and the
normally closed terminal (87a) have continuity.
When the coil is energized, the common
terminal (30) and the normally open terminal
(87) have continuity.
NOTE:
When there is power applied to the coil,
the coil sets up a magnetic field in the
windings. When the power is removed,
the field collapses. A momentary high
voltage discharge will occur. This is how
an ignition coil works.
ALTERNATOR
The alternator is designed for output through
the engine operating range. When traveling,
keep an eye on the voltmeter in the dash area.
Normal readings should be between 13 to 14.5
Volts DC. Voltage indications higher or lower
indicate a potential problem with the charging
system. If the alternator output drops below an
acceptable level, a charge indication warning
lamp will illuminate on the instrument panel.
The alternator replaces amp hours the chassis
battery used to start the engine. The amount of
charge the alternator sends to the chassis battery
is dependent on the amount of time the engine
is operated. Repeatedly starting the engine for
short periods may not be enough operating time
to adequately replace the amp hours the chassis
battery uses to start the engine.
The function of the alternator is an electrical
system voltage maintainer, not a battery charger.
When the engine is operating, the alternator
maintains electrical system voltage relative to a
load, such as headlights and windshield wipers.
When a heavy load is placed on the alternator,
such as trying to charge dead house batteries,
the operating temperature of the alternator will
increase. Excess operating temperature of the
alternator for extended periods of operation can
lead to premature failure of the alternator.
NOTE:
The alternator is not designed to charge
the house batteries from a complete
discharge to a full state of charge. The
alternator will maintain the battery
charge during travel, supplying the DC
current necessary to operate running
lights or other DC loads.
080405
090347f
160 Amp Alternator
080405d
Single Pole Single Throw Relay.

Table of Contents