EasyManua.ls Logo

BONFIGLIOLI Vectron ACTIVE CUBE - Page 79

BONFIGLIOLI Vectron ACTIVE CUBE
138 pages
Print Icon
To Next Page IconTo Next Page
To Next Page IconTo Next Page
To Previous Page IconTo Previous Page
To Previous Page IconTo Previous Page
Loading...
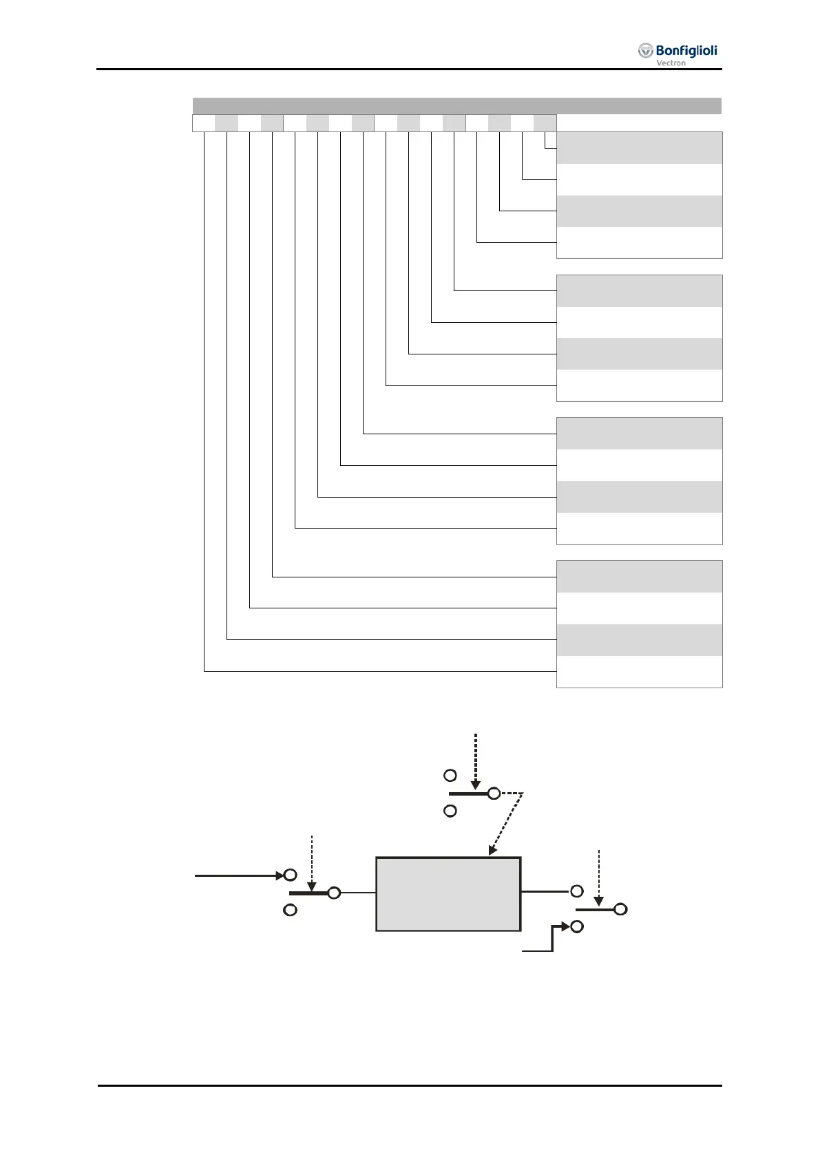
Status word
15
14
13
12
11
10
9
8
7
6
5
4
3
2
1
0
Bit
0
Ready to switch on
1
Switched on
2
Operation enabled
3
Fault
4
Voltage enabled
5
Quick stop (low active)
6
Switch on disabled
7
Warning
8
9
Remote
10
Target reached (not used)
11
Internal limit value active
12
13
14
15
Warning2
Block diagram
RFG
Ramp Function Generator
Run_RFG
Lock_Output
Bit 5 / rfg unlock
1
0
1
0
1
0
Bit 4 / rfg enable
Bit 6 / rfg use ref
Ramp_Reference
0
Special
Function
Generator
10/13 CM-PROFINET 79

Table of Contents

Other manuals for BONFIGLIOLI Vectron ACTIVE CUBE

Related product manuals