EasyManua.ls Logo

Burkert 8175 - Page 22

Burkert 8175
66 pages
Print Icon
To Next Page IconTo Next Page
To Next Page IconTo Next Page
To Previous Page IconTo Previous Page
To Previous Page IconTo Previous Page
Loading...
22
8175
ENGLISH
INSTALLATION
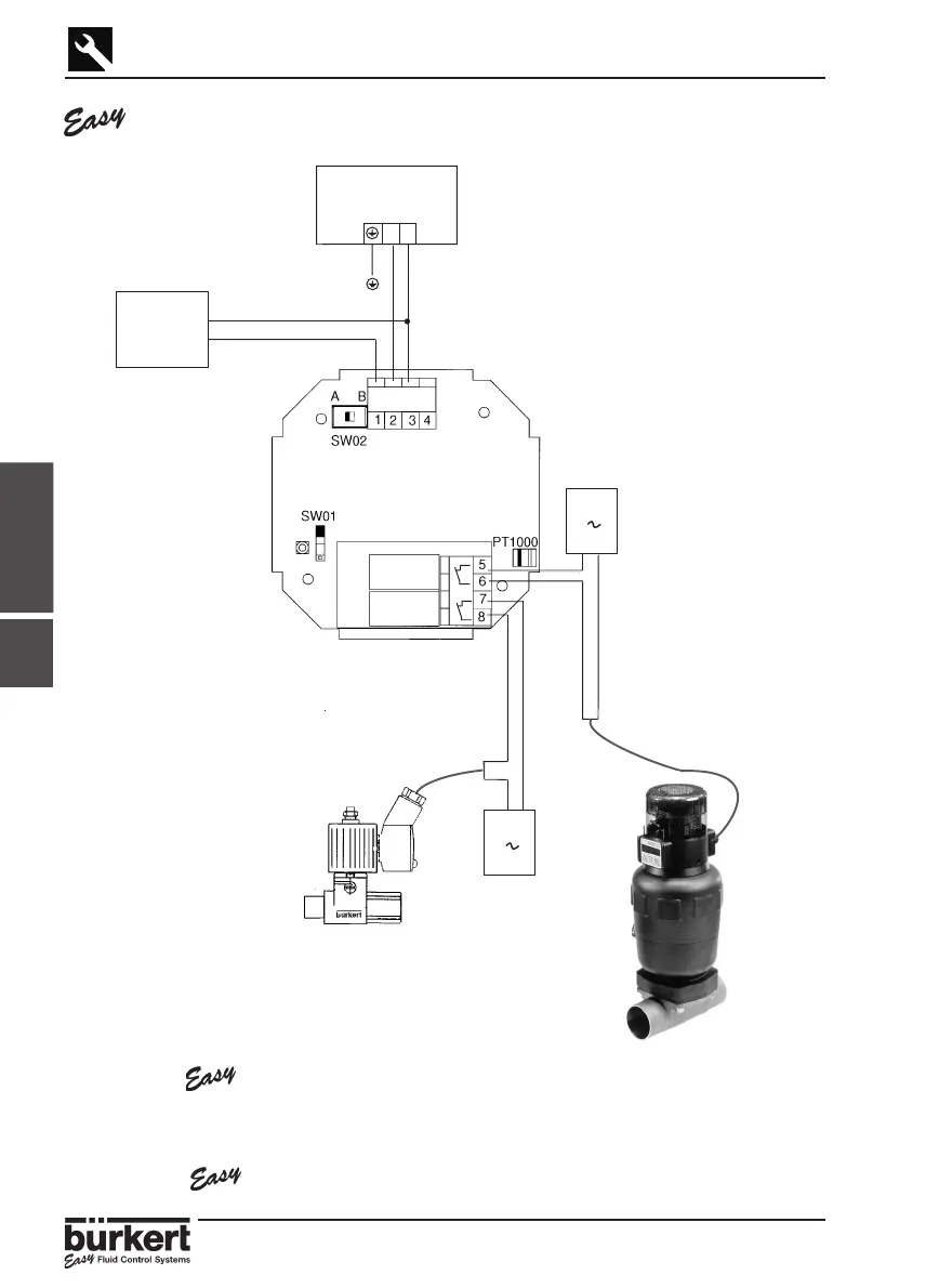
Example
of LINK between the 8175 level transmitter 18-32VDC
and the 8631 Top Control on/off mounted on a diaphragm
valve type 2031 and pilot valve type 6012.
NETWORKING provided by the 4-20mA output
ON/OFF LEVEL CONTROL
8175
4-20 mA
V=
V
24 V=
-
+
V=
V
PLC
3.5
Top Control
on/off

Related product manuals