EasyManua.ls Logo

Canon GP160DF - Page 161

Canon GP160DF
797 pages
Print Icon
To Next Page IconTo Next Page
To Next Page IconTo Next Page
To Previous Page IconTo Previous Page
To Previous Page IconTo Previous Page
Loading...
COPYRIGHT
©
1999 CANON INC. CANON GP160 REV.0 FEB. 1999 PRINTED IN JAPAN (IMPRIME AU JAPON)
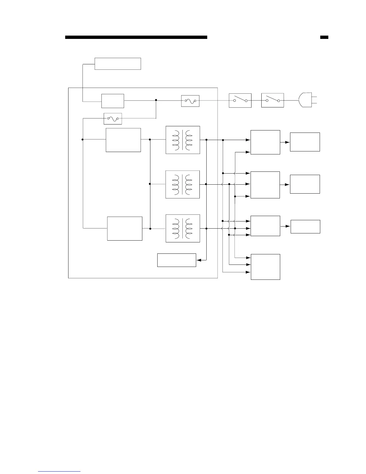
CHAPTER 9 EXTERNAL/AUXILIARY MECHANISM
9-3
Figure 9-201
RL1
Noise filter
Noise filter
Abnormality
detection printed
circuit
5V generation
12V generation
24V generation
Fixing heater
DC controller PCB
Image processor PCB
CCD PCB
Accessory function PCB
5V
5V
5V
5V
12V
12V
24V
24V
24V
24V
DC+5V1
DC+24V2
DC+5V1
DC+12V
DC-12V
DC+24V1
12V
DC+5V1
DC+12V
DC+5V
1
DC+5V2
DC+12V
DC+24V1
DC+24V2
Cassette feeder
and electrical
load
Control panel
Automatic
document feeder
and electrical loads
Electrical loads
DC power supply PCB
Main switch
Front cover
open/close
switch
Fuse 1
Fuse 2

Table of Contents

Other manuals for Canon GP160DF

Related product manuals