EasyManua.ls Logo

Canon GP160DF - Fixing Assembly (100 V)

Canon GP160DF
797 pages
Print Icon
To Next Page IconTo Next Page
To Next Page IconTo Next Page
To Previous Page IconTo Previous Page
To Previous Page IconTo Previous Page
Loading...
COPYRIGHT
C
1999 CANON INC. CANON 2220/2210/2200/160/3000 REV.1 FEB. 1999 PRINTED IN JAPAN [IMPRIME AU JAPON]
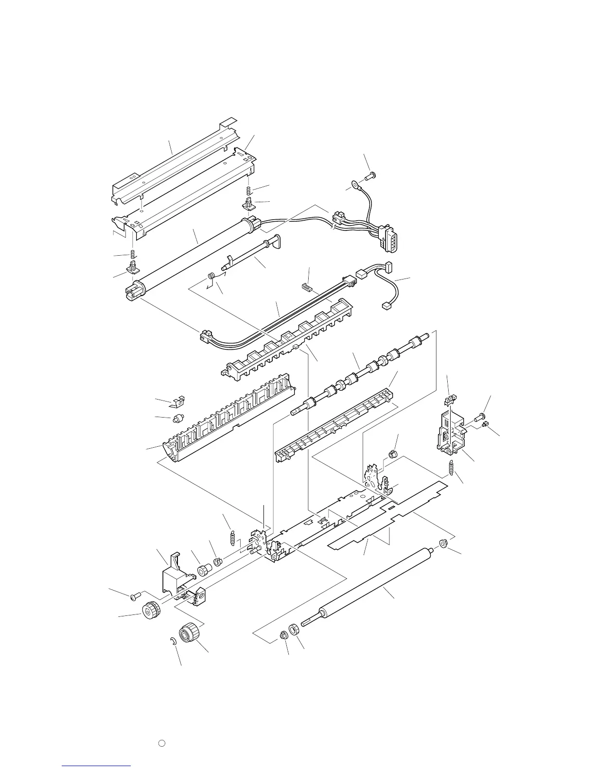
810-1
FIGURE 810
FIXING ASSEMBLY (100V)
A
A
B
B
22
30
14
10
10
4
4
19
15
16
17
18
29
23
5
3
28
27
26
7
8
11
20
9
24
14
25
21
9
6
1
2
6
13
501
12
14
31
(J1307)
(J161)
(J1305)
(J1303)
(J1302)
(J1304)
(J1306)
(J1306)
(PS306)

Table of Contents

Other manuals for Canon GP160DF

Related product manuals