EasyManua.ls Logo

Case 580SR+ - Page 632

Case 580SR+
1068 pages
Print Icon
To Next Page IconTo Next Page
To Next Page IconTo Next Page
To Previous Page IconTo Previous Page
To Previous Page IconTo Previous Page
Loading...
42 SECTION 35 - HYDRAULIC SYSTEM
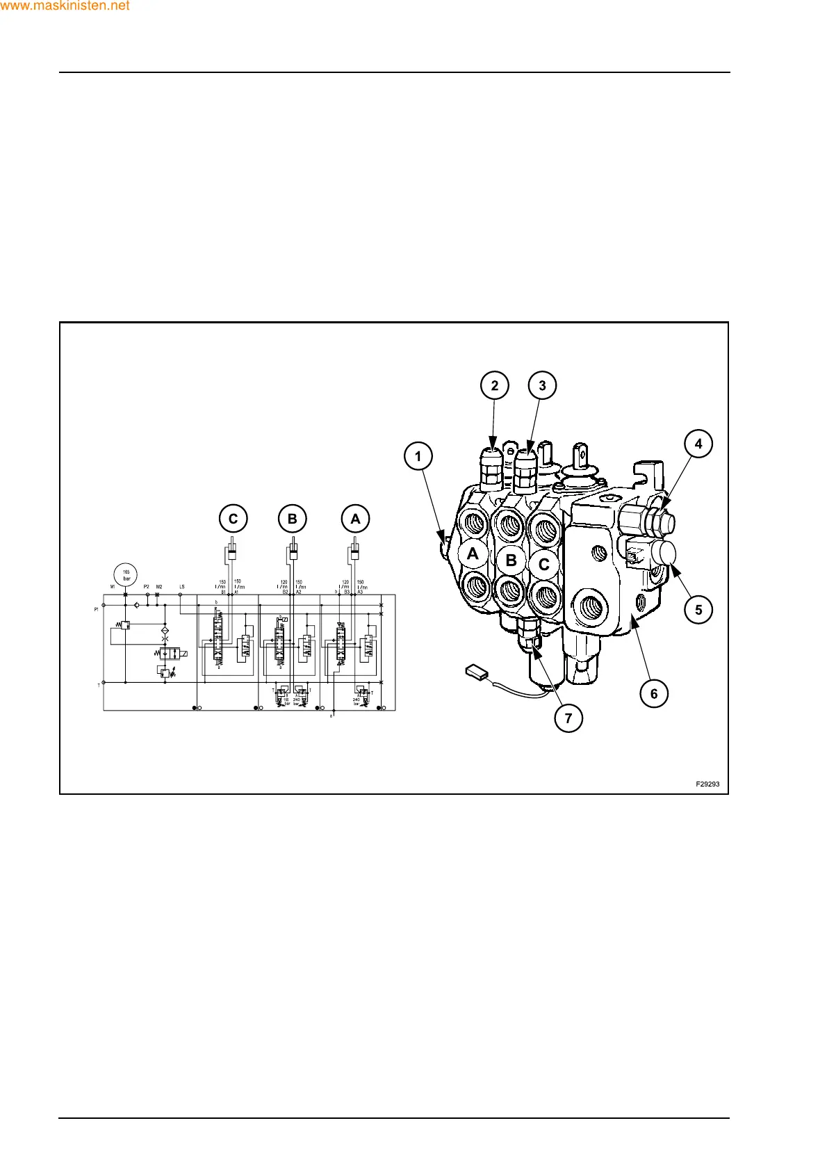
LOADER CONTROL VALVE
The loader control valve is mounted on the right side
of the machine adjacent to the pump. The valve as-
sembly consists of two or three spool operated sec-
tions:
Z Loader lifting
Z Loader bucket
Z 4x1 loader bucket
Usually the loader control valve has three valve sec-
tions when is installed on the loader backhoe the 4x1
bucket.
A. 4x1 loader bucket section
B. Loader bucket section
C. Lifting section
1. End cover
2. 4x1 loader bucket relief valve
3. Loader bucket relief valve (rod end) 240 bar
4. Hydraulic speed relief valve 165 bar
5. Hydraulic speed solenoid
6. Inlet section
7. Loader bucket relief valve (piston end) 165 bar
www.maskinisten.net
Copyright ©

Table of Contents

Related product manuals