EasyManua.ls Logo

Case 580SR+ - Page 857

Case 580SR+
1068 pages
Print Icon
To Next Page IconTo Next Page
To Next Page IconTo Next Page
To Previous Page IconTo Previous Page
To Previous Page IconTo Previous Page
Loading...
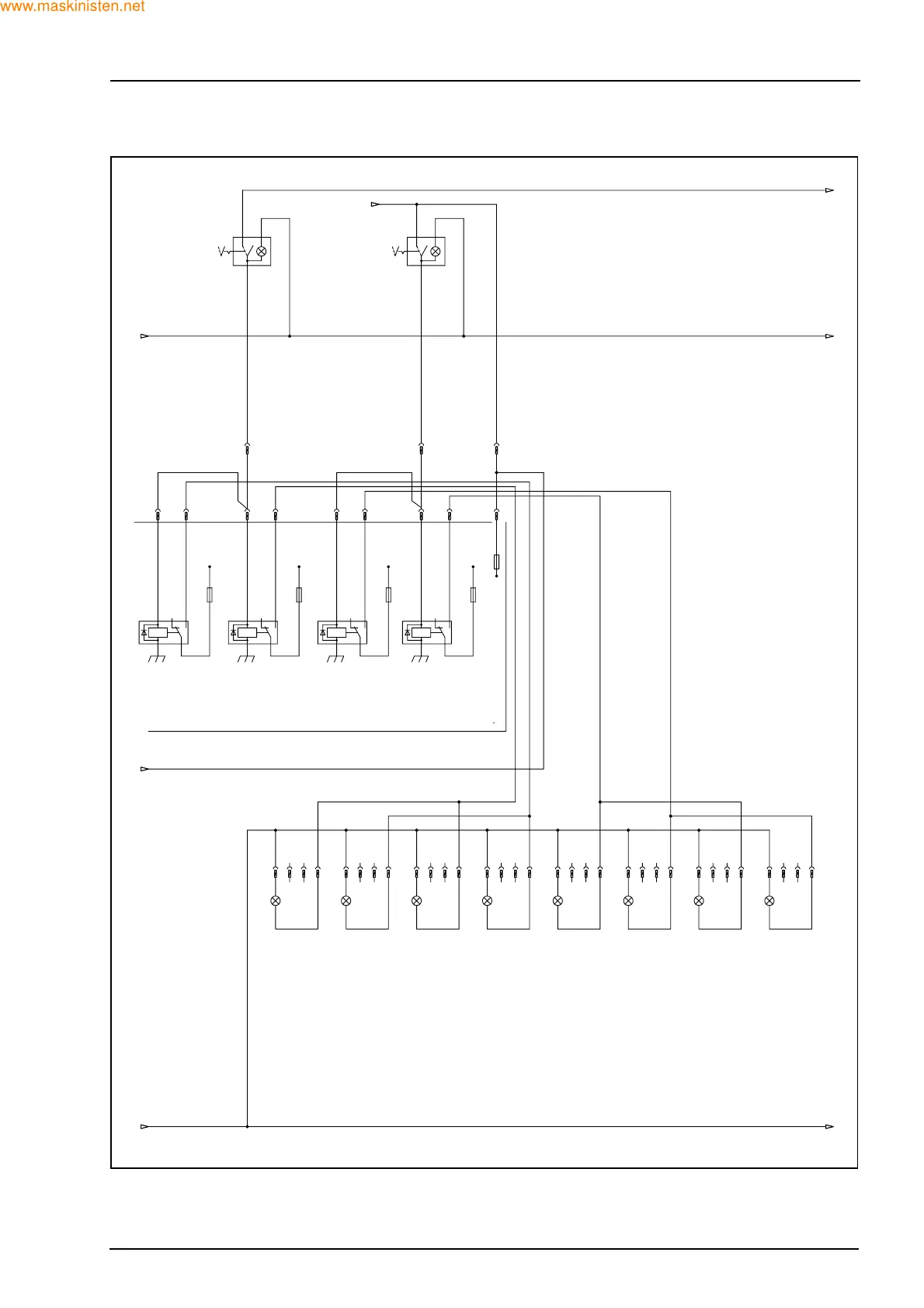
SECTION 55 - ELECTRICAL SYSTEM 29
WORK LIGHT LINE DIAGRAM
F27484
C/B1
3.5
AB
S12
24
3
AB
S11
24
3
Z-N1
X87
11
X87
7
X87
1
S-G1
K9
87
85 30
K7
87
85 30
K8
87
85 30
K6
86
87a
87
85 30
KC
H22H21H20H19 H14
N1
7.1
C/N1
7.1
31
7.1
31
5.5
X46
4321
V-N1
X40
4321
N1
H-N1
X38
4321
N1
H-N1
X47
4321
V1
X45
4321
N1
H1
X44
4321
X50
4321
H1
N1
X51
4321
XC5
11
XC5
13
XC5
12
XC5
14
H1
V-N1
H-N1
V1
XC3
3
XC3
4
XC3
15
XC3
14
Z-N1
S-G1
Z-N1
C/B1
S-G1
XC3
18
N1
4.5
N1
C/B1
3.5
C/B1
C/N1
H11 H12
F8C
15A
+30
F8A
15A
+30
F5A
15A
+30
F8B
15A
+15
F4C
10A
H13
+30
86
87a
86
87a
86
87a
www.maskinisten.net
Copyright ©

Table of Contents

Related product manuals