EasyManua.ls Logo

Case 580SR+ - Page 858

Case 580SR+
1068 pages
Print Icon
To Next Page IconTo Next Page
To Next Page IconTo Next Page
To Previous Page IconTo Previous Page
To Previous Page IconTo Previous Page
Loading...
30 SECTION 55 - ELECTRICAL SYSTEM
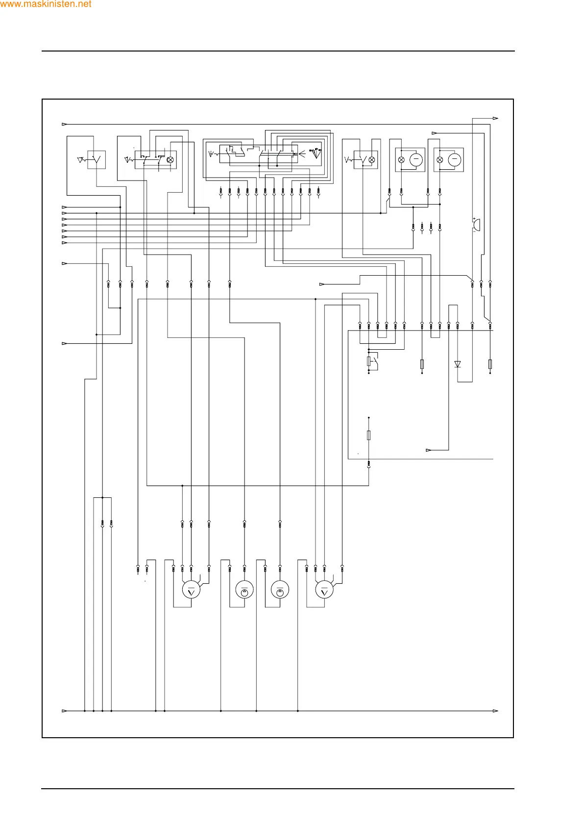
WINDSHIELD WASHER/WIPER LINE DIAGRAM
F27485
S53
N1
3.5
9
7
613
0
1
2
5
2
4
C1
N1
AB
S54
5
6
N1
6.5
N1
AB
S15
24
3
C/N1
3.2
C/N1
C-N1
1.5
C-N1
HA3
C-N1
X13
5
X87
12
C/N1
X13
1
X87
2
N1
X88
6
C1
2.5
X88
5
C1
X88
4
X88
2
X88
1
X88
3
X13
9
KC
M9
F7C
6A A.R.
1
0
2
0
L
R
S41
57/58 56b 56a 54S 54D 4953 31b
56 L 3130 15
R-N1
8.1
X41
-
X41
l
X61
12
X81
l
X80
l
N1.5
M1
L1
X80
-
X81
-
A-G1.5
X43
4321
L1
4.5
L-N1
4.5
A1
4.5
11109
L-N1
A1
L1
V-N1.5
4.5
G/R1
2.2
54
V-N1.5
G/R1
A-V1.5
XC5
16
XC2
1
A-V1.5
A-G1.5
XC4
1
A-G1.5
C/N1
XC3
7
A/B1
6
XC4
14
A/B1
XC5
3
X49
1
A/B1
R/N1
4
XC5
4
R/N1
A/R1
8
XC4
15
A/N1
7
XC4
12
A/N1
3
XC5
1
A/N1
L/B1
A/R1A/R1
A/B1 A/B1
X12
4
X12
1
2
X39
3
A/N1
A/N1
XC3
17
1
X12
5
A/N1
A/R1
A/B1
L/B1
X12
2
X57
l
L/B1
L-B1
X56
l
L-B1
X12
3
231
L-B1
X57
-
X56
-64
N1
3.5
N1
N1
N1
N1
N1
N1
N1.5
X10
6
N1.5
X10
5
C/N1
6.5
C/N1
50
4.4
XC2
4
XC2
5
Z1
XC2
7
Z1
M
M7
M
M5
53
53a
53b
31b
31
M
M6
+15
F6A
7,5A
+15
F3C
10A
31
8.1
31
6.5
M
H15
M
H16
M
M4
53
53a
53b
31b
31
+15
+15
F1A
15A
www.maskinisten.net
Copyright ©

Table of Contents

Related product manuals