EasyManua.ls Logo

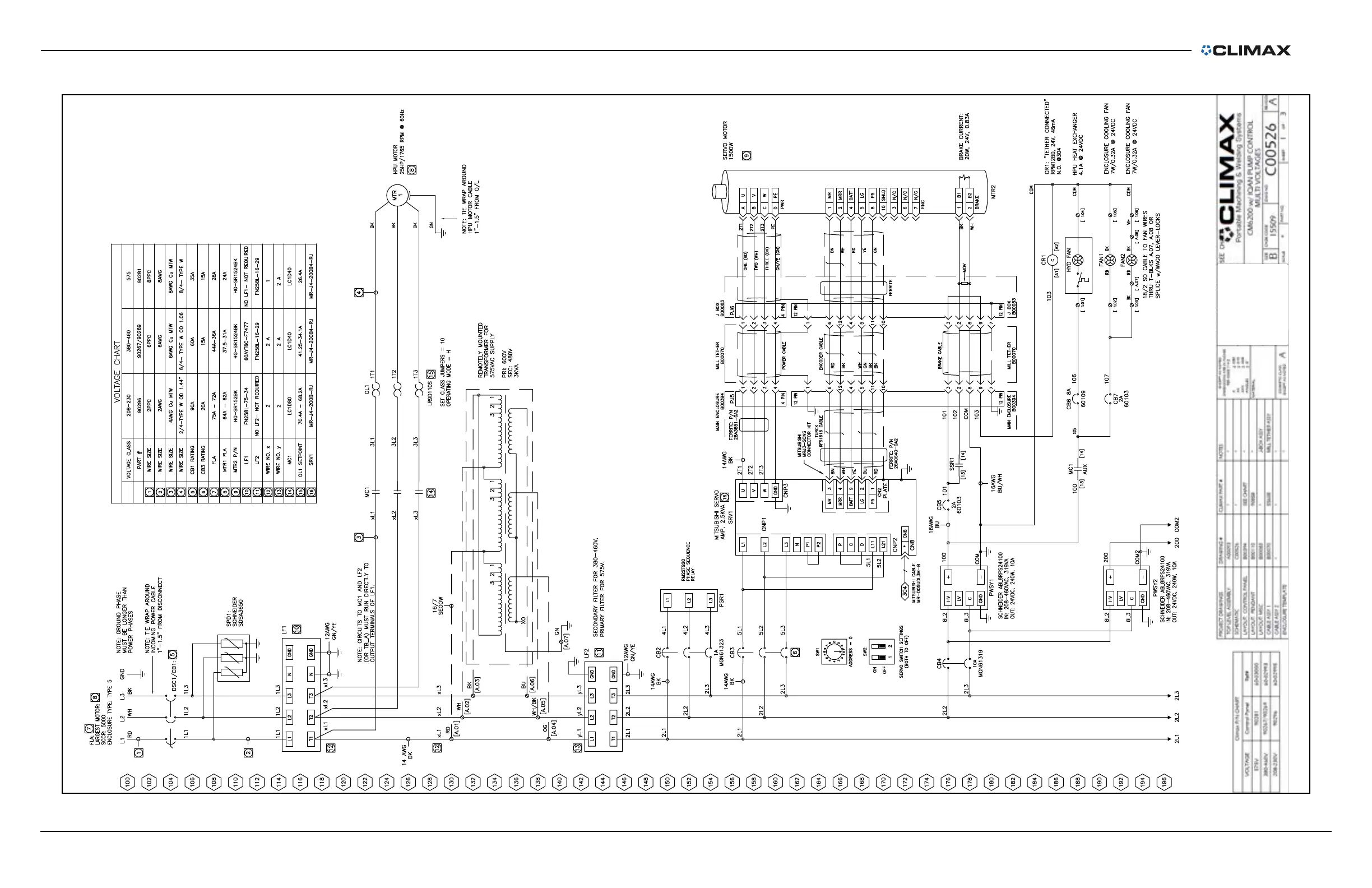
Climax CM6200 - Igure B-14. Mr-J4 Schematic Sheet 1 (P;N C00526)

Default Icon
334 pages
Print Icon
To Next Page IconTo Next Page
To Next Page IconTo Next Page
To Previous Page IconTo Previous Page
To Previous Page IconTo Previous Page
Loading...
P/N 63674, Rev. 9 Page 173
FIGURE B-14. MR-J4 SCHEMATIC SHEET 1 (P/N C00526)
DATE
DATE
DATE
CAD/CAM STD
ADDITIONAL INFORMATION AND
SPECIFICATIONS REQUIRED TO
MANUFACTURE THIS PART ARE PROVIDED
IN CLIMAX SPEC, P100
DRAWN:
.X
.XX
.XXX
ANGLES
± .030
± .010
± .005
± .5°
COSMETIC CLASS
EXCEPT AS NOTED
MATERIAL
APPROVED:
CHECKED:
EXCEPT AS NOTED,
DIMENSIONS ARE IN INCHES
PER ASME Y14.5
15509
SCALE
B
SIZE
CAGE CODE DWG NO.
SH
PART NO.


CM6200 w/ IQAN PUMP
MULTI VOLTAG
C00
RG 5/26/18
*
4
A
PROJECT DRAWINGS
TOP LEVEL ASSEMBLY
SCHEMATIC
LAYOUT: CONTROL PANEL
LAYOUT: PENDANT
LAYOUT: MISC
CABLE ASSY 1
DRAWING # CLIMAX PART #
CABLE ASSY 2
NOTES
ENCLOSURE TEMPLATE
A00093 * *
C00526 * *
B00394 SEE CHART
B00110
*
90858 *
B00083 * J-BOX ASSY
B00070 55608 MILL TETHER ASSY
***
*
208-230V 90296
575V
90281
60-02995
VOLTAGE Control Panel
Ref#
380-460V
90267/90269
60-02993
60-03000
Climax P/N CHART

Table of Contents